EasyManua.ls Logo

Dual MXCP44 - Wiring Diagram; Fuse Information

Dual MXCP44
16 pages
Print Icon
To Next Page IconTo Next Page
To Next Page IconTo Next Page
To Previous Page IconTo Previous Page
To Previous Page IconTo Previous Page
Loading...
3
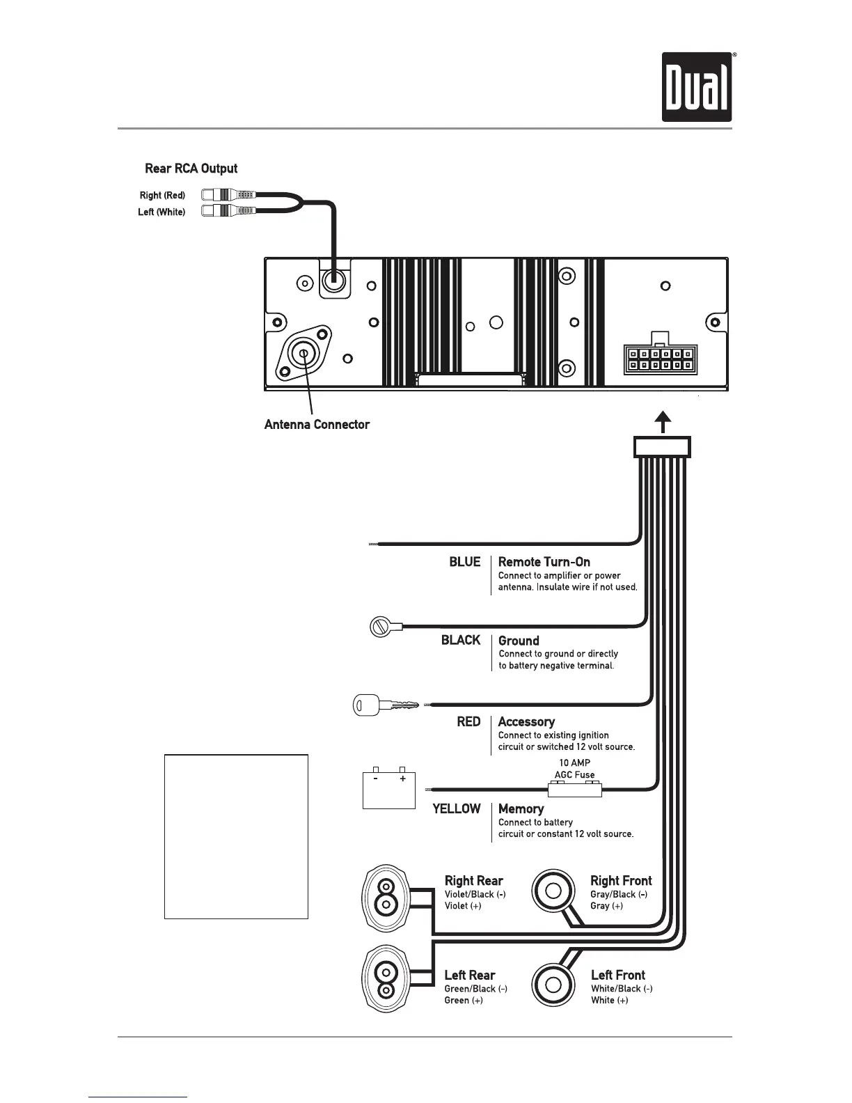
Wiring Diagram
FUSE
Whenreplacingthefuse,
makesurenewfuseisthe
correcttypeandamperage.
Usinganincorrectfuse
coulddamagetheradio.The
MXCP44usesone10amp
AGCfuselocatedin-line.
MXCP44INSTALLATION

Related product manuals