EasyManua.ls Logo

Dual VX2529 - Wiring Diagram

Dual VX2529
30 pages
Print Icon
To Next Page IconTo Next Page
To Next Page IconTo Next Page
To Previous Page IconTo Previous Page
To Previous Page IconTo Previous Page
Loading...
6
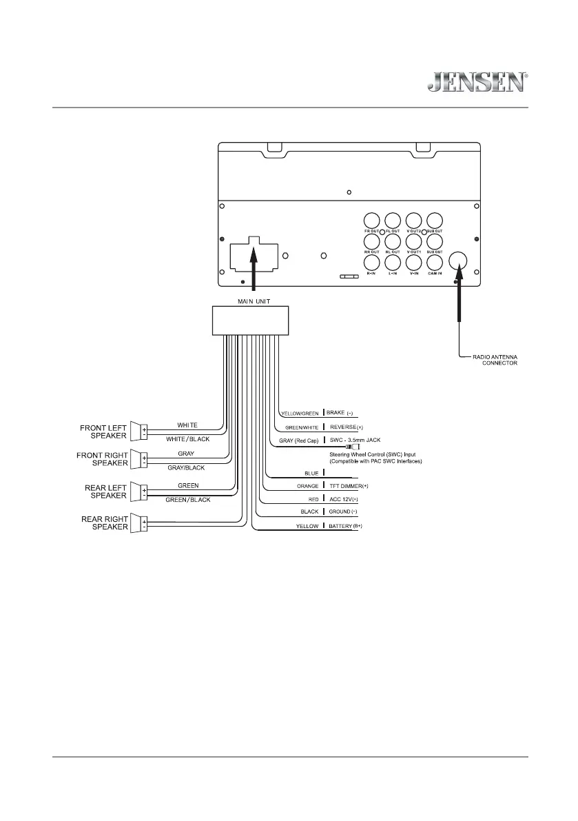
Wiring Diagram - Inputs/Outputs
VX2529 INSTALLATION
Note:
When replacing a fuse, make sure to use the correct type and amperage. Using an incorrect fuse could cause
damage. The unit uses (1) 10 amp ATM mini style fuse located on the power connector.
Wiring Notes:
Subwoofer output
The Subwoofer preamp audio output (black jacket with green RCA) is active in all audio modes.
Rear camera input
A rear view camera (not included) can be used with the Camera input.
VIOLET
VIOLET/BLACK
ANT/AMP(+)

Related product manuals