EasyManua.ls Logo

Duerkopp Adler 281 - Page 47

Duerkopp Adler 281
48 pages
Print Icon
To Next Page IconTo Next Page
To Next Page IconTo Next Page
To Previous Page IconTo Previous Page
To Previous Page IconTo Previous Page
Loading...
GB
17
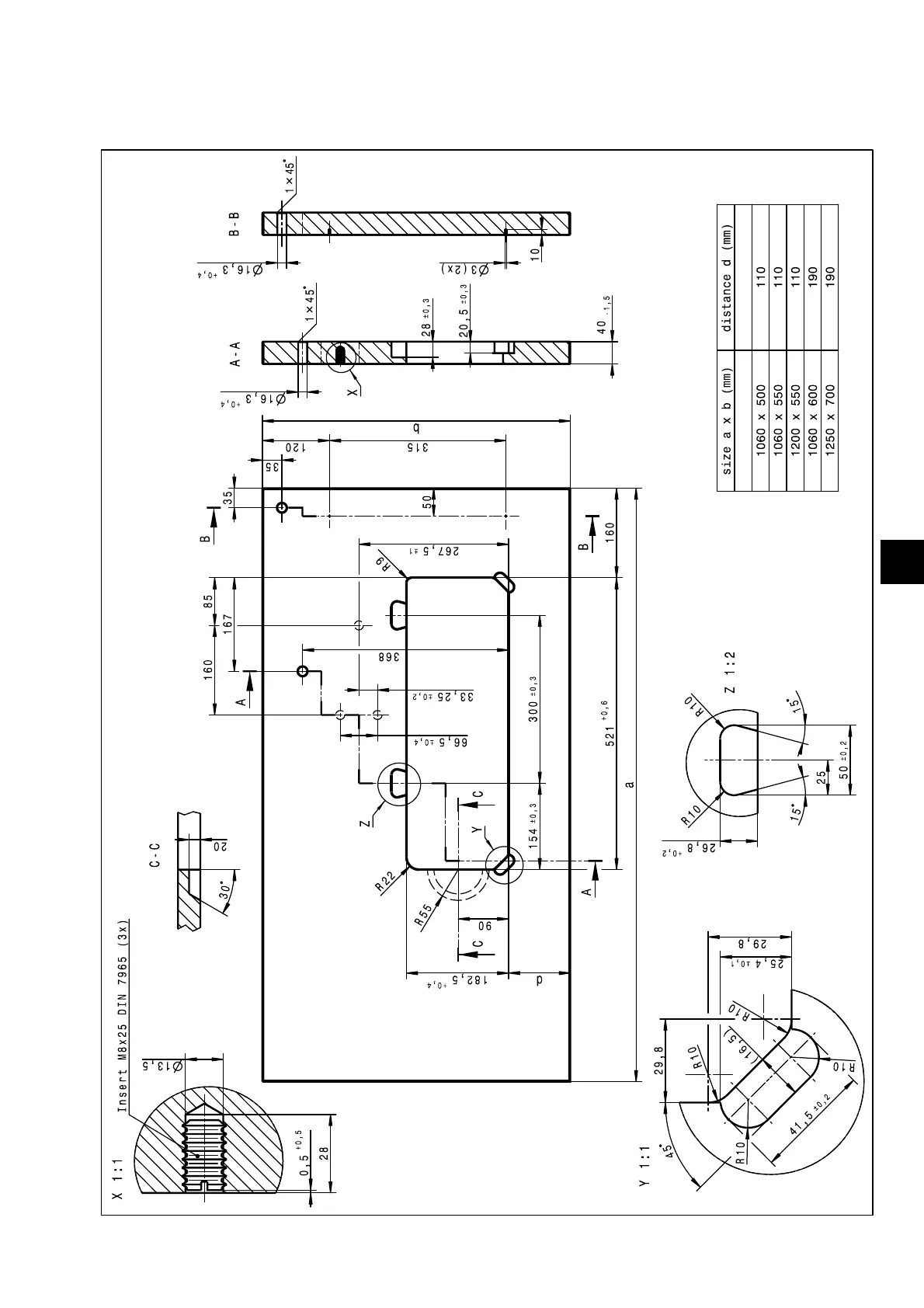
Table top Cl. 281

Table of Contents

Other manuals for Duerkopp Adler 281

Related product manuals