EasyManua.ls Logo

Dunkirk DCB-100 - With Zone Circulators - Piping Diagram

Dunkirk DCB-100
139 pages
Print Icon
To Next Page IconTo Next Page
To Next Page IconTo Next Page
To Previous Page IconTo Previous Page
To Previous Page IconTo Previous Page
Loading...
16
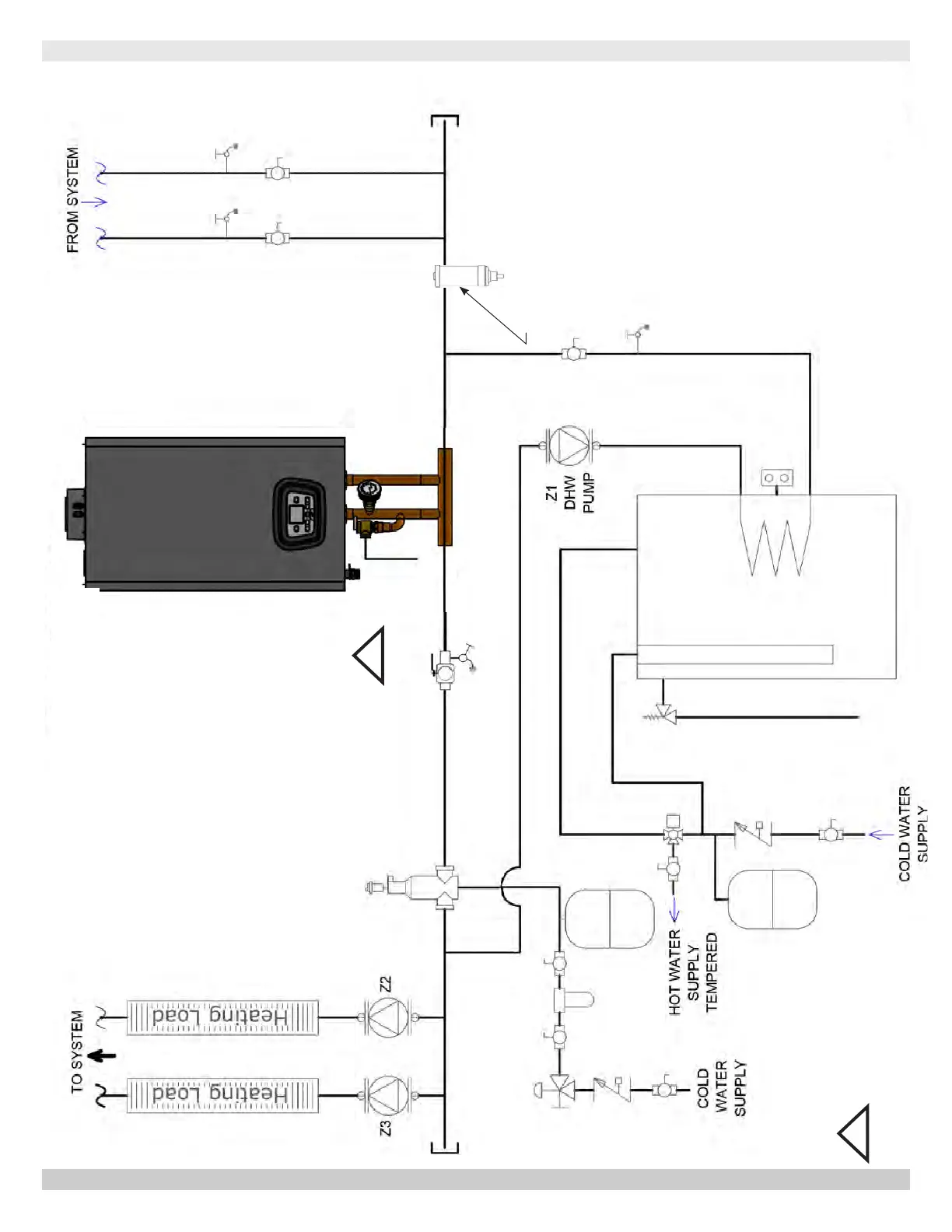
165 WITH ZONE CIRCULATORS - PIPING DIAGRAM
MAGNETIC DIRT
SEPARATOR
1
Shut off &
Purge Valve
1
Locate shut off valve after
any field installed LWCO.
165 WITH ZONE CIRCULATORS
PN 240011430 REV. O [07/01/2021]

Table of Contents

Related product manuals