EasyManua.ls Logo

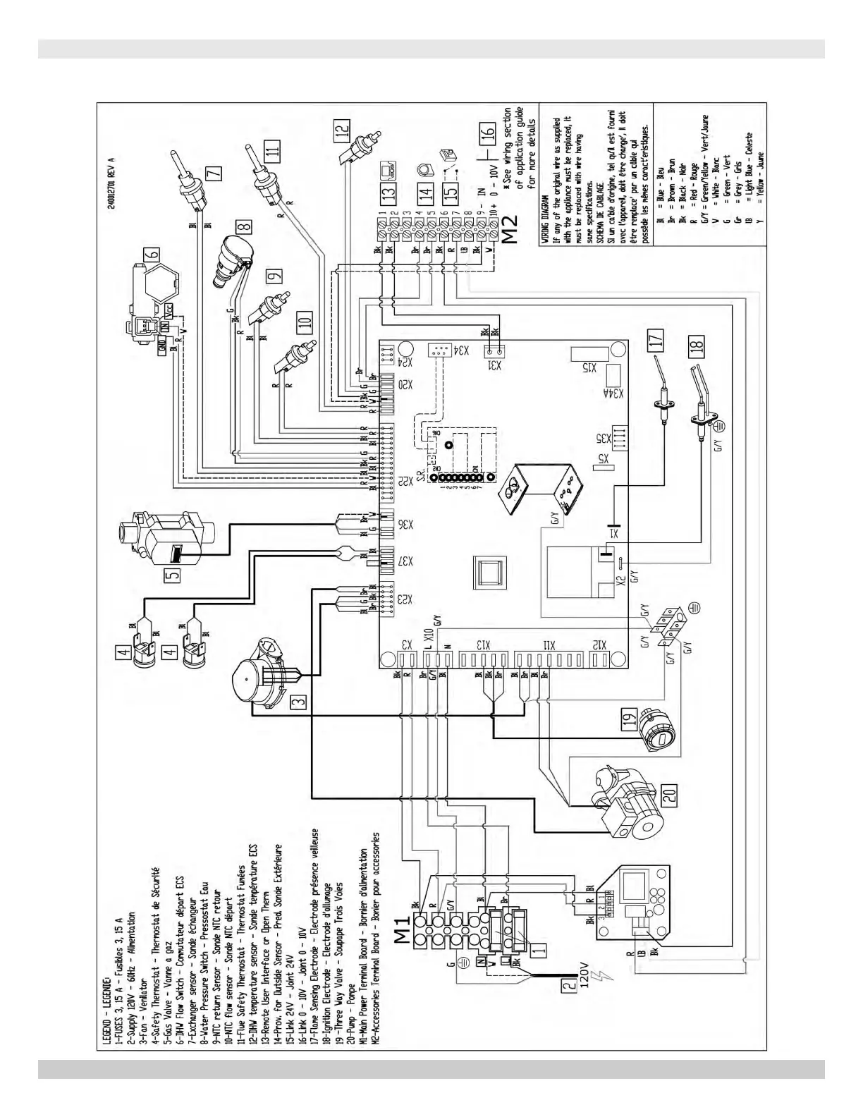
Dunkirk DCB-100 - Combi Wiring Diagram

Dunkirk DCB-100
139 pages
Print Icon
To Next Page IconTo Next Page
To Next Page IconTo Next Page
To Previous Page IconTo Previous Page
To Previous Page IconTo Previous Page
Loading...
38
MODEL 205 - Combi
205 - COMBI WIRING DIAGRAM
PN 240011430 REV. O [07/01/2021]

Table of Contents

Related product manuals