EasyManua.ls Logo

Dunkirk DCB-100 - With Zone Valves & DHW Tank - Piping Diagram

Dunkirk DCB-100
139 pages
Print Icon
To Next Page IconTo Next Page
To Next Page IconTo Next Page
To Previous Page IconTo Previous Page
To Previous Page IconTo Previous Page
Loading...
13
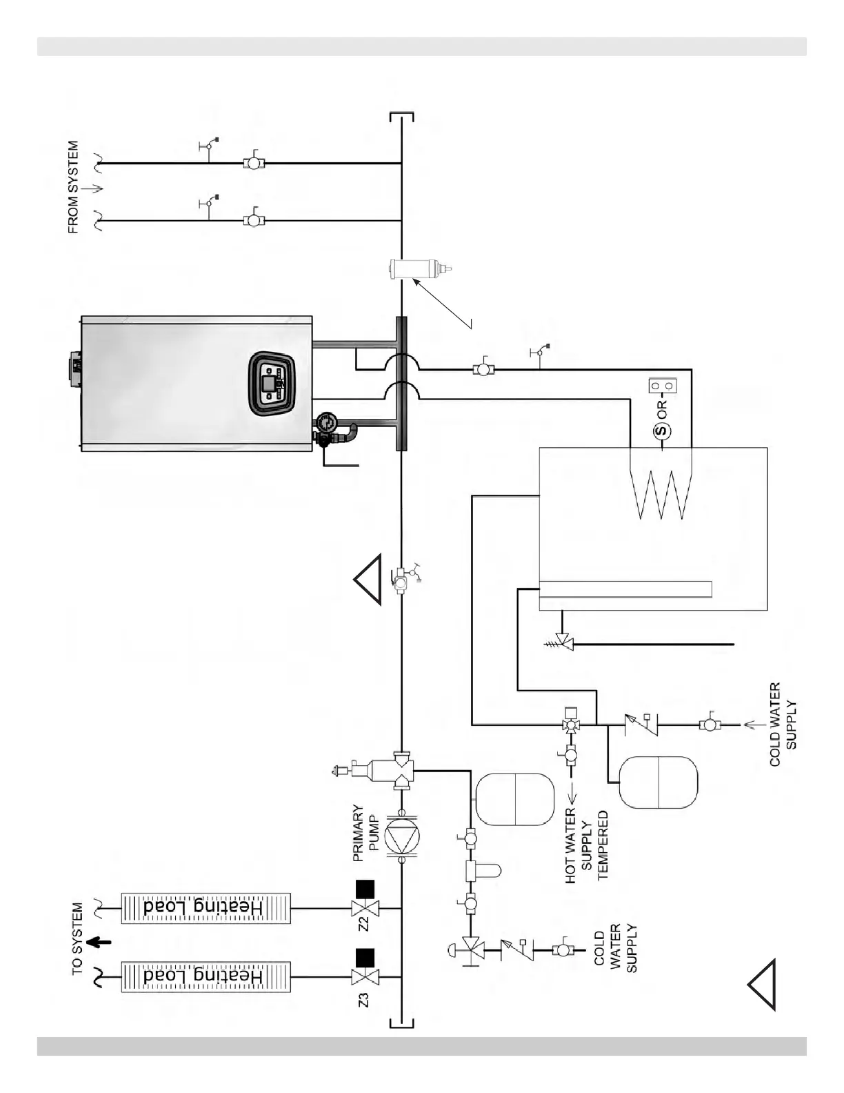
100, 125 WITH ZONE VALVES &
DHW
TANK - PIPING DIAGRAM
100 & 125 WITH ZONE VALVES &
DHW
TANK
MAGNETIC DIRT
SEPARATOR
1
Shut off &
Purge Valve
1
Locate shut off valve after
any field installed LWCO.
PN 240011430 REV. O [07/01/2021]

Table of Contents

Related product manuals