EasyManua.ls Logo

Dunkirk DCB-100 - Page 111

Dunkirk DCB-100
139 pages
Print Icon
To Next Page IconTo Next Page
To Next Page IconTo Next Page
To Previous Page IconTo Previous Page
To Previous Page IconTo Previous Page
Loading...
27
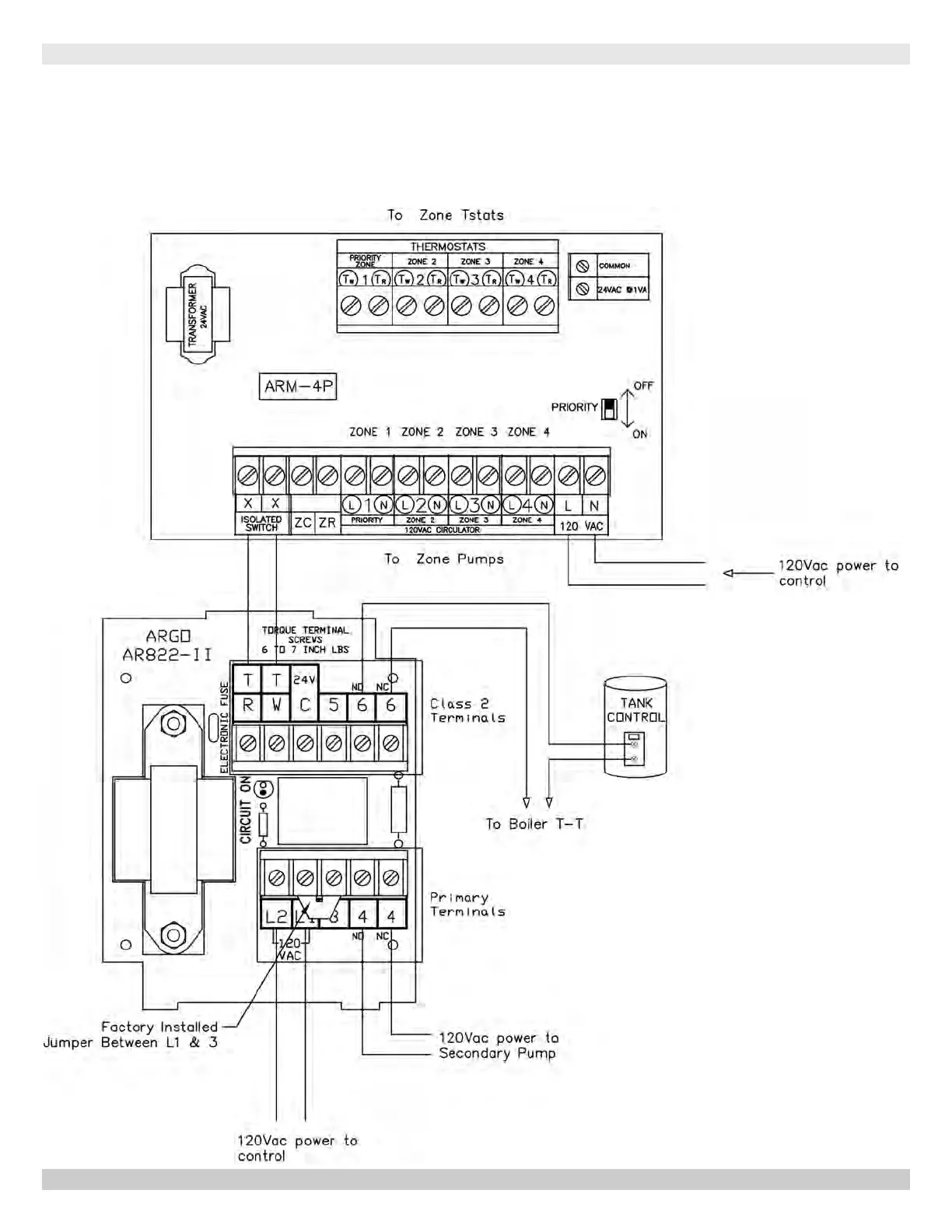
EXTERNAL BUFFER TANK - WIRING DIAGRAM
Buffer Tank Pump Wiring
Controlling A Primary Pump On A Combi Boiler With Zone
Pumps, Argo ARM 4P Zone Control and A822-II
PN 240011430 REV. O [07/01/2021]

Table of Contents

Related product manuals