EasyManua.ls Logo

Dunkirk DXL Series - Page 12

Dunkirk DXL Series
40 pages
Print Icon
To Next Page IconTo Next Page
To Next Page IconTo Next Page
To Previous Page IconTo Previous Page
To Previous Page IconTo Previous Page
Loading...
12
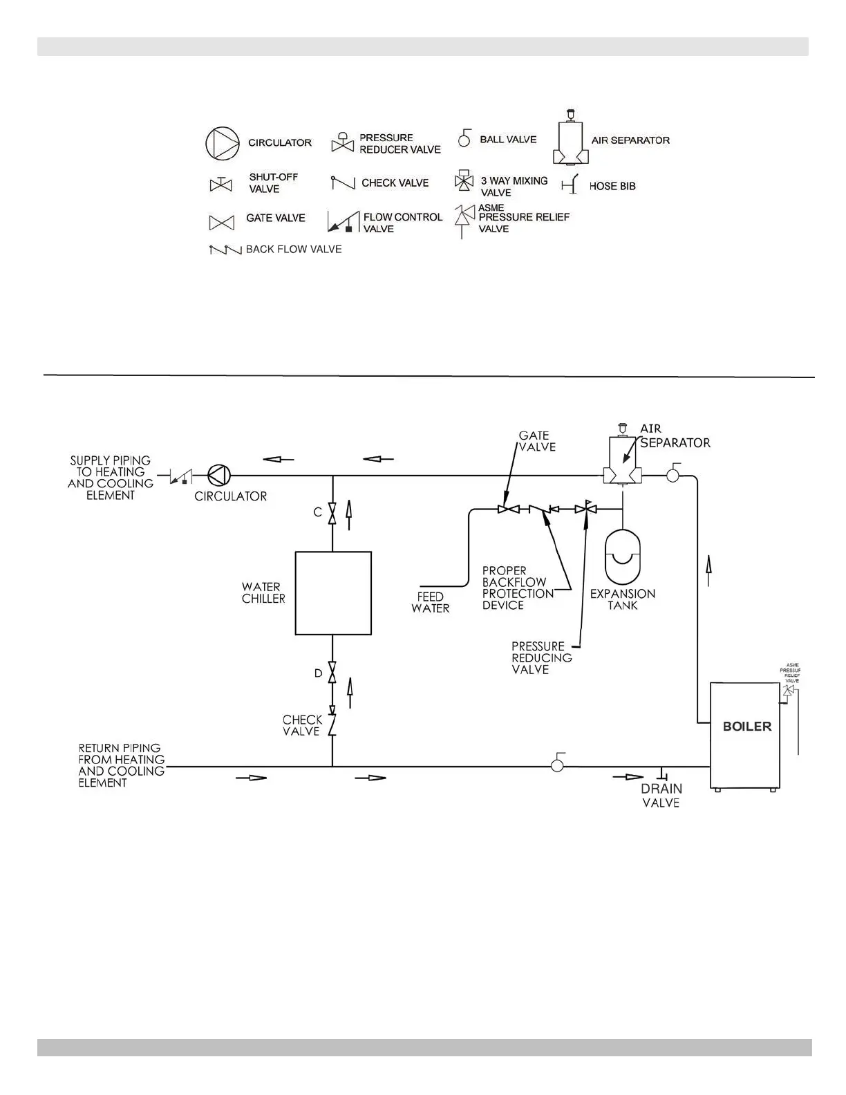
4 - CONNECTING SUPPLY AND RETURN PIPING
Circulators in following illustrations are mounted on system supply side, mounting on system return side is also
acceptable practice.
BACK FLOW VALVE
PIPING LEGEND:
Figure 4-2 -
Circulators Mounted on Supply System, Boiler Used In Conguration with Chiller
System. See Special Conditions, Below
DRAIN
PN 240012787 Rev. C [11/15/2020]

Related product manuals