EasyManua.ls Logo

Dunkirk DXL Series - Page 13

Dunkirk DXL Series
40 pages
Print Icon
To Next Page IconTo Next Page
To Next Page IconTo Next Page
To Previous Page IconTo Previous Page
To Previous Page IconTo Previous Page
Loading...
13
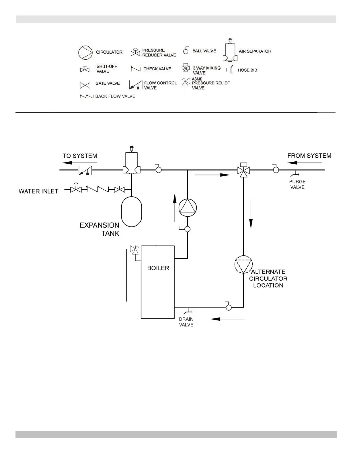
Figure 4-3 - Bypass Piping With Automatic Mixing Valve
BACK FLOW VALVE
PIPING LEGEND:
4 - CONNECTING SUPPLY AND RETURN PIPING
PURGE
VALVE
DRAIN
VALVE
ASME
RELIEF
VALVE
BACK FLOW
VALVE
PN 240012787 Rev. C [11/15/2020]

Related product manuals