EasyManua.ls Logo

Dunkirk DXL Series - Page 14

Dunkirk DXL Series
40 pages
Print Icon
To Next Page IconTo Next Page
To Next Page IconTo Next Page
To Previous Page IconTo Previous Page
To Previous Page IconTo Previous Page
Loading...
14
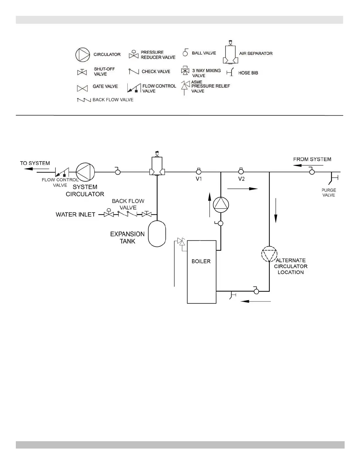
4 - CONNECTING SUPPLY AND RETURN PIPING
Figure 4-4 - Bypass Piping - Fixed Low Temp Only With Zone Valve
BACK FLOW VALVE
PIPING LEGEND:
ASME
RELIEF
VALVE
*
*
* Manually adjust until proper
system temperature is reached.
PN 240012787 Rev. C [11/15/2020]

Related product manuals