EasyManua.ls Logo

Dunkirk DXL Series - Page 15

Dunkirk DXL Series
40 pages
Print Icon
To Next Page IconTo Next Page
To Next Page IconTo Next Page
To Previous Page IconTo Previous Page
To Previous Page IconTo Previous Page
Loading...
15
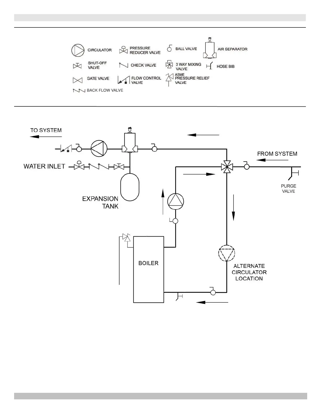
4 - CONNECTING SUPPLY AND RETURN PIPING
Figure 4-5 - Bypass Piping (4-Way Valve Option With Circulator On Supply side)
BACK FLOW VALVE
PIPING LEGEND:
ASME
RELIEF
VALVE
DRAIN
VALVE
FLOW CONTROL VALVE
PN 240012787 Rev. C [11/15/2020]

Related product manuals