EasyManua.ls Logo

EAE EE-6503V2 - Annex 1: Electrical Diagrams and Parts

Default Icon
36 pages
Print Icon
To Next Page IconTo Next Page
To Next Page IconTo Next Page
To Previous Page IconTo Previous Page
To Previous Page IconTo Previous Page
Loading...
Installation, Operation and Parts Manual
EE-6503V2
23
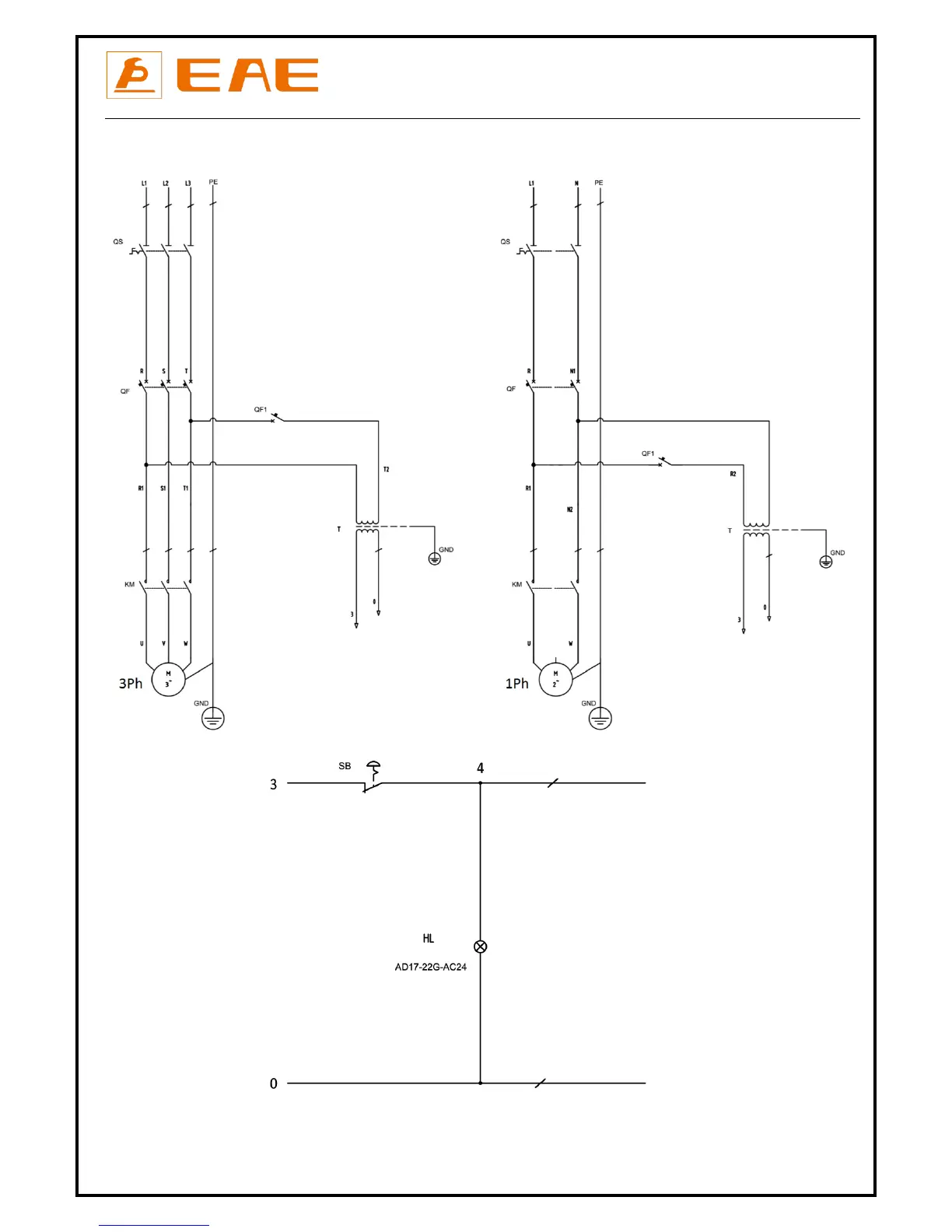
Annex 1, Electrical diagrams and parts list