EasyManua.ls Logo

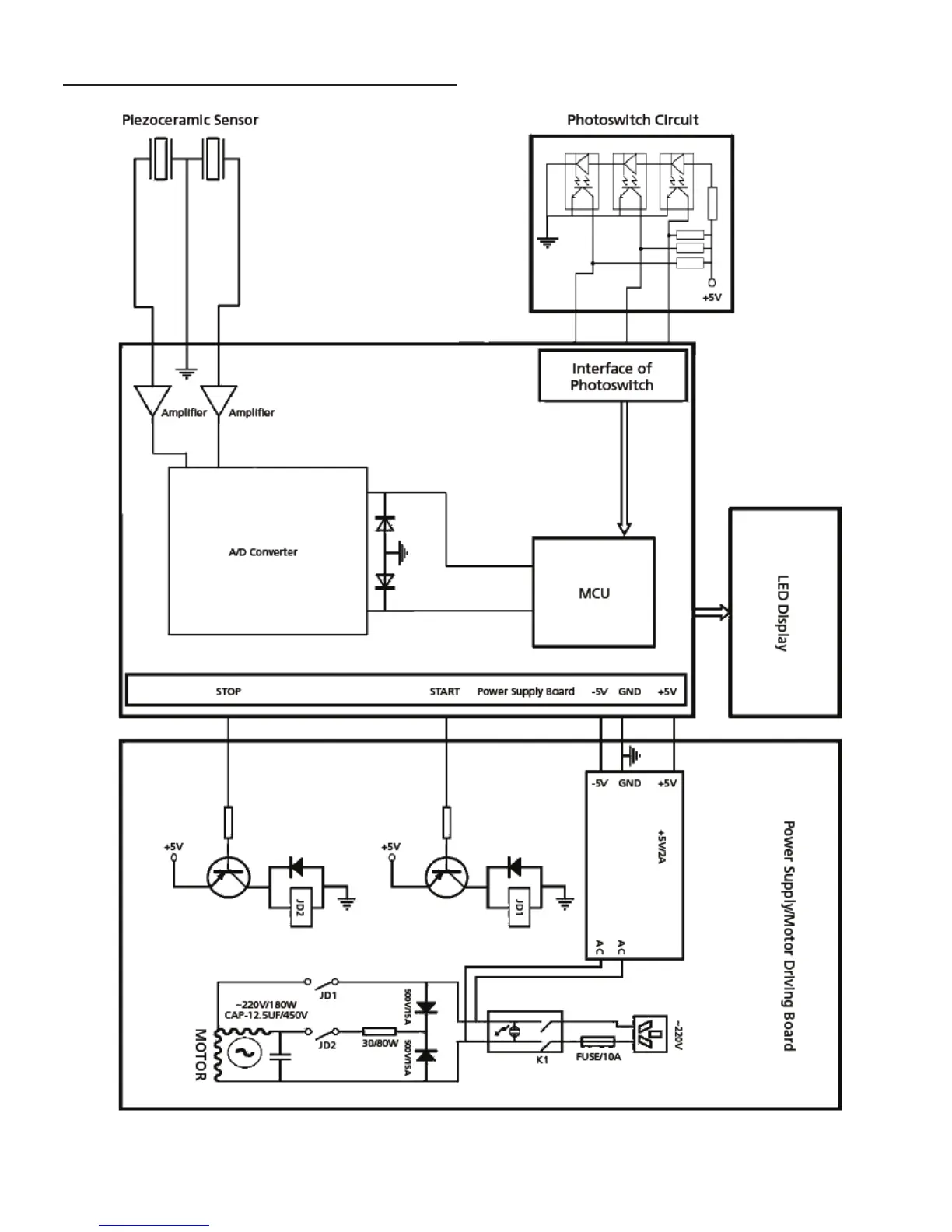
Eagle EB-1200 - System Circuit Diagram

Eagle EB-1200
40 pages
Print Icon
To Next Page IconTo Next Page
To Next Page IconTo Next Page
To Previous Page IconTo Previous Page
To Previous Page IconTo Previous Page
Loading...
4810 Clover Road • Greensboro, NC 27450 • 1-800-336-2776 • www.eagleequip.com • © Eagle Equipment 2017.12 • page 38
25. SYSTEM CIRCUIT DIAGRAM