EasyManua.ls Logo

Eaton H-Max Series - Page 97

Eaton H-Max Series
134 pages
To Next Page IconTo Next Page
To Next Page IconTo Next Page
To Previous Page IconTo Previous Page
To Previous Page IconTo Previous Page
Loading...
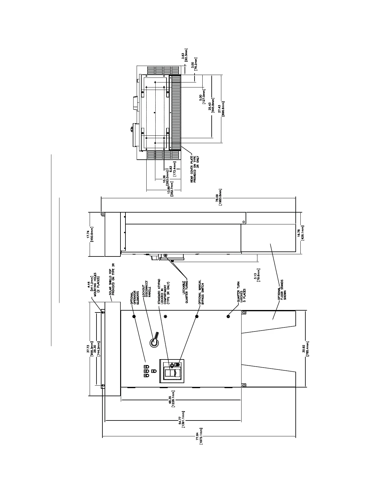
ENCLOSURE SIZE C TYPE 3R / OVERSIZE TYPE 1/12
DIMENSIONS & MOUNTING
25
Dimensions & Mounting
H-Max Series Drives IntelliPass®/IntelliDisconnect® IL04008003E April 2013

Table of Contents

Other manuals for Eaton H-Max Series

Related product manuals