EasyManua.ls Logo

EBARA E-SPD+ MT 2200 - Page 10

EBARA E-SPD+ MT 2200
396 pages
Print Icon
To Next Page IconTo Next Page
To Next Page IconTo Next Page
To Previous Page IconTo Previous Page
To Previous Page IconTo Previous Page
Loading...
10
EN
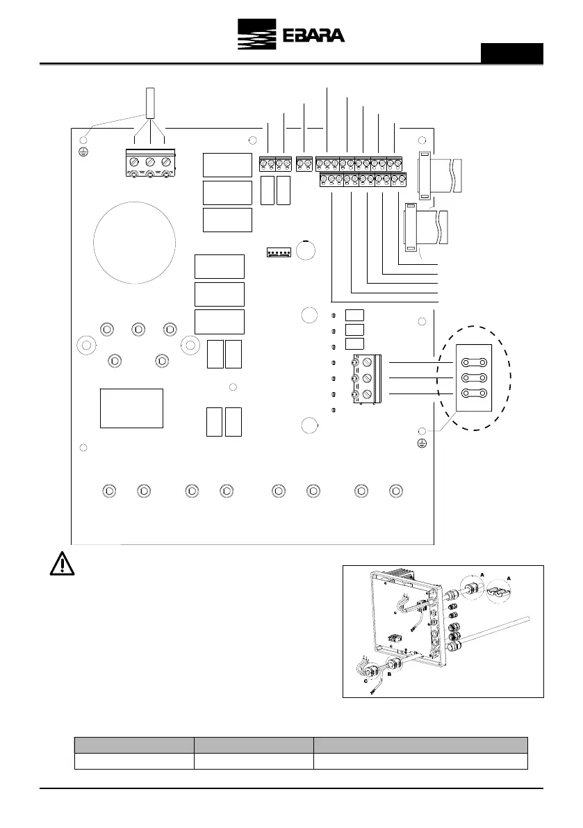
Power connections
*For 400/690 V motors
It is necessary to install the magnetic cores (A, B and C).
You will find them in the accessory box.
In the power cable of the frequency converter, one will be installed
on the outside, as close as possible to the cable gland (A).
In the cable between the frequency converter and the motor, one
must be installed that groups all the cables (B) and another that
only groups the 3 phases without the ground (C).
E-SPD+ TT11000 Three-phase 400 V Three-phase 400 Vac (DELTA connection*)
Model Power supply Motor
POWER SUPPLY
400Vac 3 ~
FAN
RELAY OUTPUT 2
RELAY OUTPUT 1
FRONT PANEL
FRONT PANEL
0-10V INPUT
PTC / NTC INPUT
PRESSURE TRANSDUCER 2
PRESSURE TRANSDUCER 1
COMMUNICATION RS485
DIGITAL INPUT 1
DIGITAL INPUT 2
DIGITAL INPUT 3
DIGITAL INPUT 4
MODBUS
MOTOR
400/690Vac

Table of Contents

Related product manuals