EasyManua.ls Logo

EBARA E-SPD+ MT 2200 - Page 238

EBARA E-SPD+ MT 2200
396 pages
Print Icon
To Next Page IconTo Next Page
To Next Page IconTo Next Page
To Previous Page IconTo Previous Page
To Previous Page IconTo Previous Page
Loading...
238
PT
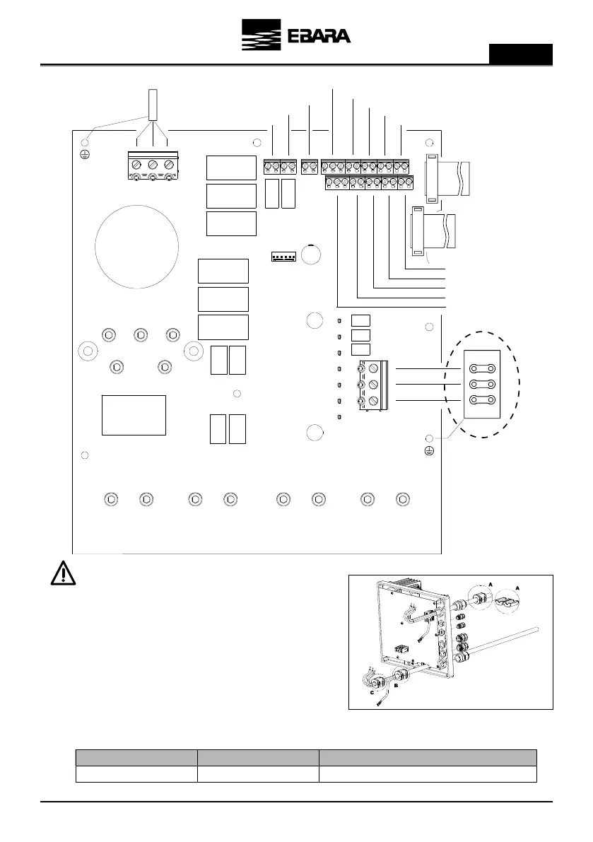
Ligaçoes de potência
*Para motores 400/690V
É necessário instalar os núcleos magnéticos (A, B e C).
Você os encontrará na caixa de acessórios.
No cabo de potência do conversor de frequência, será instalado
um na parte externa, o mais próximo possível do prensa-cabo
(A) e outro na parte interna (B) que agrupa apenas as 3 fases
sem o terra.
No cabo entre o conversor de frequência e o motor deve ser
instalado um que agrupe todos os cabos (B) e outro que agrupe
apenas as 3 fases sem o terra (C).
E-SPD+ TT11000 Trifásico 400V Trifásico 400Vac (conexão DELTA*)
Modelo Fonte de energia Motor
FONTE DE ENERGIA
400Vac 3 ~
VENTILADOR
SAÍDA DE RELÉ 2
SAÍDA DE RELÉ 1
PAINEL FRONTAL
PAINEL FRONTAL
ENTRADA 0-10V
ENTRADA PTC/NTC
TRANSDUTOR DE PRESSÃO 2
TRANSDUTOR DE PRESSÃO 1
COMUNICAÇÃO RS485
ENTRADA DIGITAL 1
ENTRADA DIGITAL 2
ENTRADA DIGITAL 3
ENTRADA DIGITAL 4
MODBUS
MOTOR
400/690Vac

Table of Contents

Related product manuals