EasyManua.ls Logo

EBARA E-SPD+ MT 2200 - Page 276

EBARA E-SPD+ MT 2200
396 pages
Print Icon
To Next Page IconTo Next Page
To Next Page IconTo Next Page
To Previous Page IconTo Previous Page
To Previous Page IconTo Previous Page
Loading...
276
PL
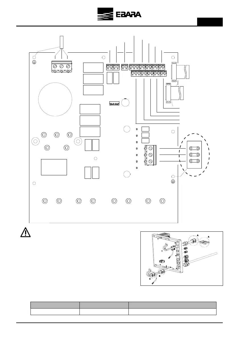
Podłączenie zasilania
*Dla silników 400/690V
Konieczne jest zainstalowanie rdzeni magnetycznych
(A, B i C).
Znajdziesz je w pudełku z akcesoriami.
W kablu zasilającym przetwornicy częstotliwości, jeden
ostanie zainstalowany na zewnątrz, jak najbliżej dławika
kablowego (A), a drugi wewnątrz (B), który grupuje tylko 3
fazy bez uziemienia.
W kablu pomiędzy przetwornicą częstotliwości a silnikiem
należy zainstalować jeden, który grupuje wszystkie kable
(B) i drugi, który grupuje tylko 3 fazy bez uziemienia (C).
E-SPD+ TT11000 Trójfazowe 400V Trójfazowy 400Vac (połączenie DELTA*)
Model Zasilanie Silnik
ZASILACZ
400Vac 3 ~
WENTYLATOR
WYJŚCIE PRZEKAŹNIKOWE 2
WYJŚCIE PRZEKAŹNIKOWE 1
PRZEDNI PANEL
PRZEDNI PANEL
WEJŚCIE 0-10 V
WEJŚCIE PTC/NTC
PRZETWORNIK CIŚNIENIA 2
PRZETWORNIK CIŚNIENIA 1
KOMUNIKACJA RS485
WEJŚCIE CYFROWE 1
WEJŚCIE CYFROWE 2
WEJŚCIE CYFROWE 3
WEJŚCIE CYFROWE 4
MODBUS
SILNIK
400/690Vac

Table of Contents

Related product manuals