EasyManua.ls Logo

EBARA EV-S20 - Page 73

EBARA EV-S20
113 pages
Print Icon
To Next Page IconTo Next Page
To Next Page IconTo Next Page
To Previous Page IconTo Previous Page
To Previous Page IconTo Previous Page
Loading...
P.54
(3) Operation control
Push EMS Button to stop dry pump
Push red EMS button (Alternate)
Motor Driver output is turned off and pump stops
6-19 pin at Dsub-25 pins (CN-Y) Connector : Close → Open
(See Figure 4.7 and Table 4.8)
The following alarm is shown on LCD controller.
Release EMS
Check that pump can be operated and turn the button head to release lock.
Press the RESET button on the LCD controller, the pump to lift the
status of the ALARM.
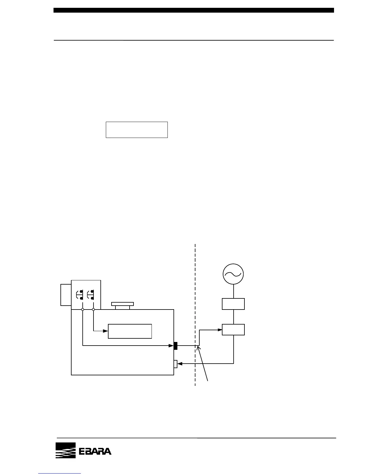
(4) Example of System Flow diagram for EMO (Emergency OFF)
This EMS switch can also work as Emergency Off (EMO, Hardware
interlock to shut off the pump power supply) with additional components to
be prepared by users.
Fig. 4.9 Example, EMO System Flow
ALARM:
EMERGENCY STOP
CN-Y
Pump Side
Motor Driver
Pump Power supply
DRY PUMP
EMS
CB
MC
Internal Pump Dry Contact is turned OFF
when EMS is activated (pushed).
Circuit Breaker
See Specification Table
for current value
Customers Side
Magnetic Contactor
See Specification Table
for current value
PM10U
EBARA
CORPORATION

Table of Contents

Related product manuals