EasyManua.ls Logo

EBARA EV-S20P - Page 71

EBARA EV-S20P
113 pages
Print Icon
To Next Page IconTo Next Page
To Next Page IconTo Next Page
To Previous Page IconTo Previous Page
To Previous Page IconTo Previous Page
Loading...
P.52
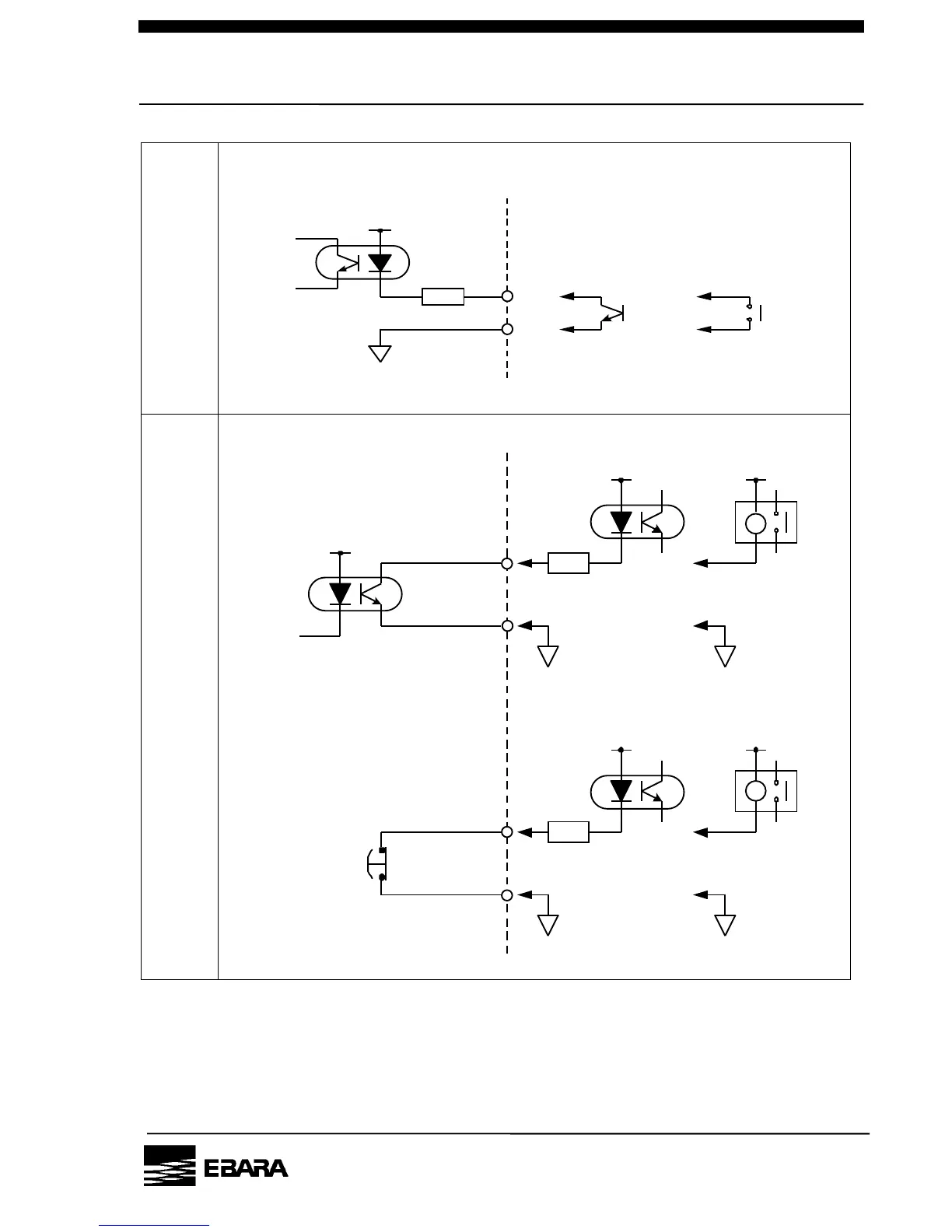
Table 4.9 CN-Z & CN-Y Signal Contacts
Input
Signal
Output
Signal
12VDC
1kΩ
Open Collector
Pump side Circuit
Customer's connection
Dry Contact
10mA
Min.
100mA Max.
Pump side Circuit
Customer's connection
Open Collector
4VDC-27VDC
Dry Contact
100mA Max.
4VDC-27VDC
EMS
[ OPTION]
PM10U
EBARA
CORPORATION

Table of Contents

Related product manuals