EasyManua.ls Logo

Ecodan 150 Standard - Optional 2 Zone Twin Temperature Control Pack

Ecodan 150 Standard
40 pages
Print Icon
To Next Page IconTo Next Page
To Next Page IconTo Next Page
To Previous Page IconTo Previous Page
To Previous Page IconTo Previous Page
Loading...
25
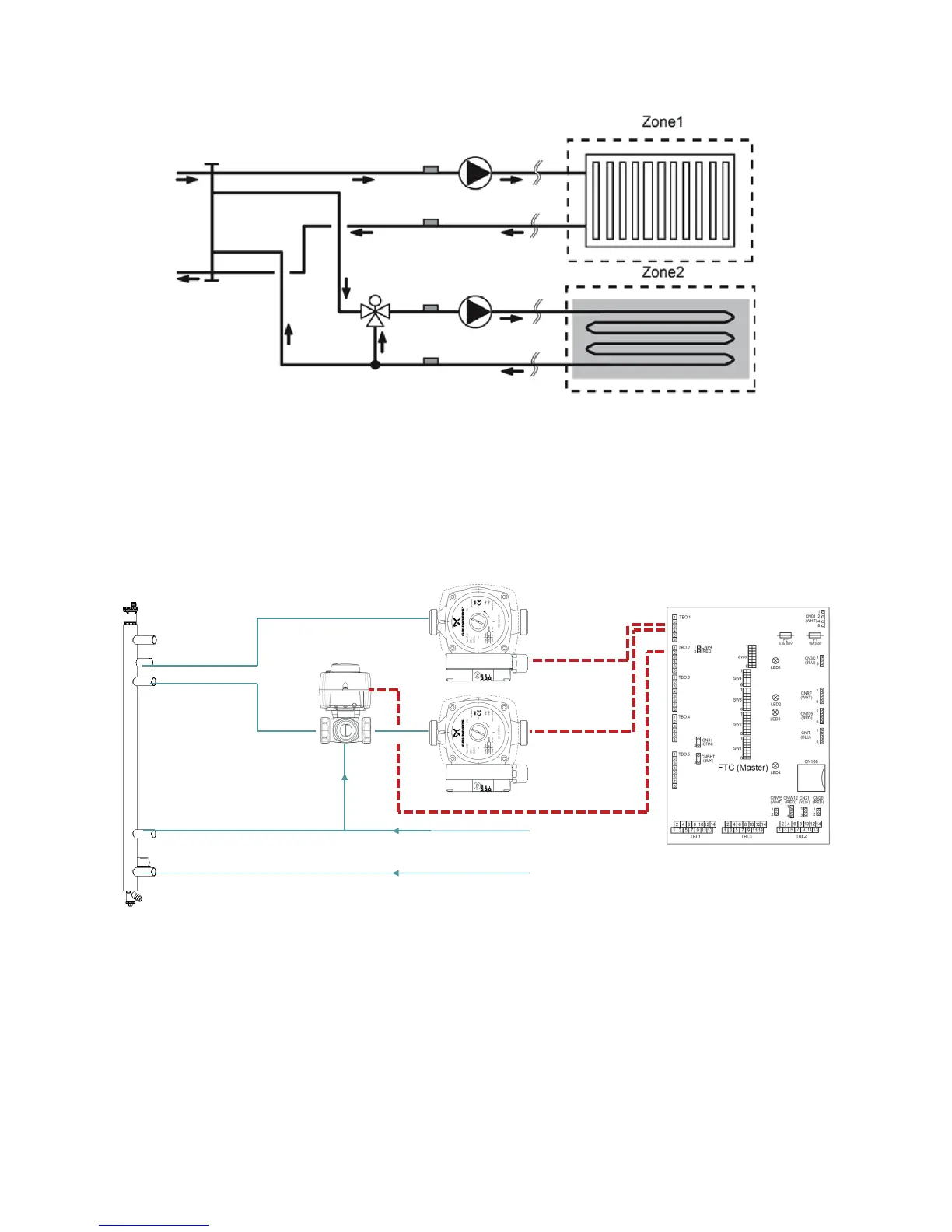
SW2-7 - ON
SW3-6 - ON
Fig 13 - Optional 2 zone twin temperature control pack - plumbing schematic
Secondary Z1 Flow
Secondary Z2 Flow
Secondary Z2 Return
Secondary Z1 Return
TBO.1 3-4 (OUT2)
TBO.1 5-6 (OUT3)
Mixing Valve
TBO.2 1-2-3 (OUT5)
Fig 14 - Optional 2 zone twin temperature control pack - component wiring

Table of Contents

Related product manuals