EasyManua.ls Logo

Ecosoft MO6500BWTSS - Page 25

Ecosoft MO6500BWTSS
28 pages
Print Icon
To Next Page IconTo Next Page
To Next Page IconTo Next Page
To Previous Page IconTo Previous Page
To Previous Page IconTo Previous Page
Loading...
This manual is the intellectual property of Ecoso. Copying and reprinng is prohibited. © 2021
25
INSTRUCTION MANUAL ECOSOFT RO SYSTEM
MO6500BWTSS
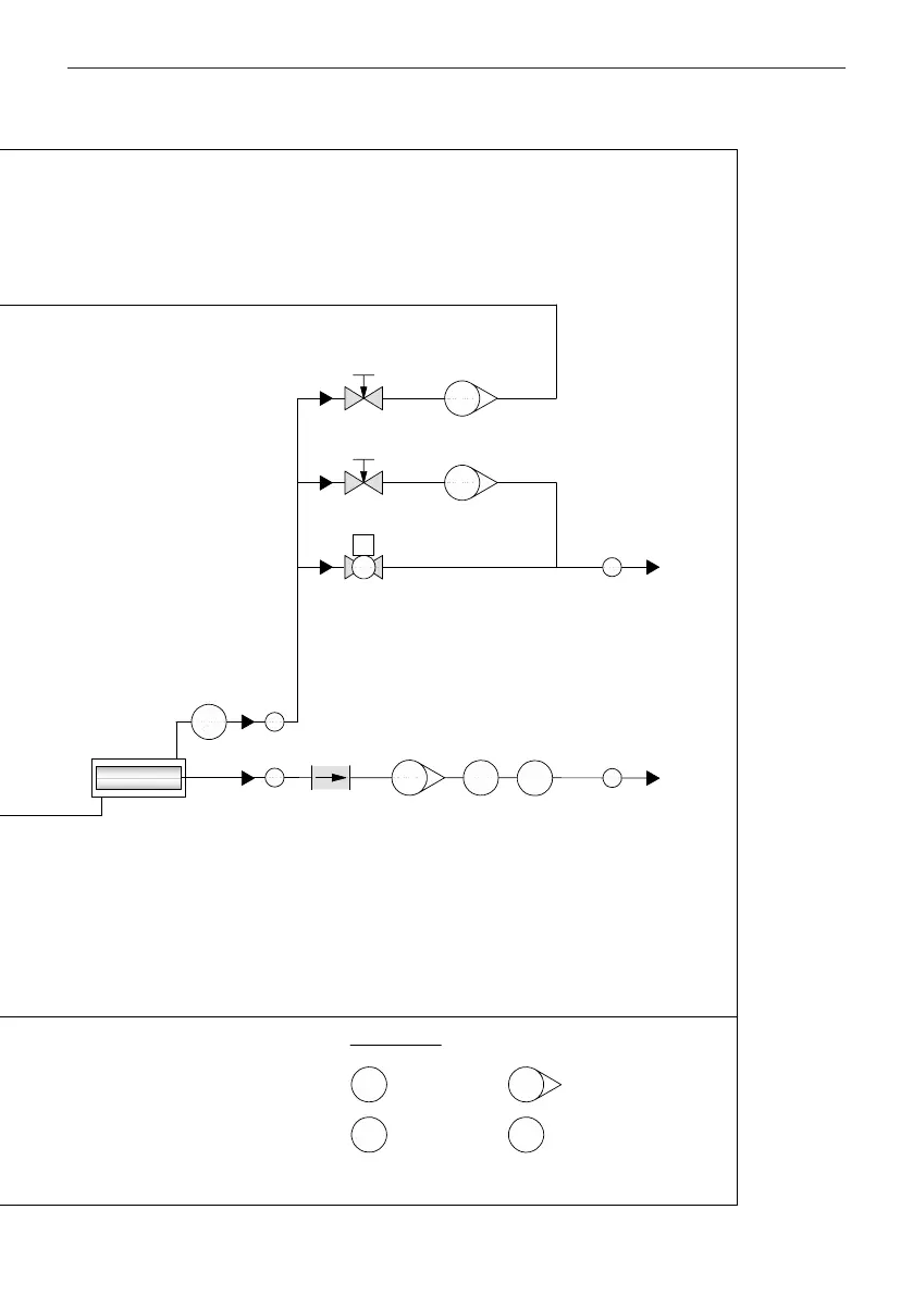
M
FI
FI
FI
MV-01
G ½
FH-01
filter housing
G 1″
Grundfos CRN 1-36
PJE DN32
CV-01
DN15 weld
CV-02
DN15 weld
G ½
MV-02
G ½
RV-02
G ½
RV-01
G ½
01
01
G ½
G ½
FEED
WATER
PE R ME ATE
PIPES VALVES
CONCENTRATE RECYCLE
Needle Valve
Check Valve
M
Motorized Valve
FI
Rotameter
03
02
01
CE
CE
Pressure gauge
(process mount)
Pressure switch
(process mount)
Conductivity probe
(process mount)
MH-01
membrane housing
G ½
CO NC E N T R AT E
G ½
G ½
03
01
PS
01
PS
03
01
01
01
01
S
S
Solenoid Valve
PI
01
01
PI
02
01
01
ECOSOFT MO-6500 BW SS REVERSE OSMOSIS SYSTEM
Pipe and Instrument Diagram
* process design may be amended on manufacturer's discretion without deteriorating product functionality
and application compatibility
INSTRUMENTS
PS
02
Stainless steel pipe DN15
01
PI
PS
G ¼
G ¼G ¼
G ¼
G ¼
G ½
M
FI
FI
FI
MV-01
G ½
FH-01
filter housing
G 1″
Grundfos CRN 1-36
PJE DN32
CV-01
DN15 weld
CV-02
DN15 weld
G ½
MV-02
G ½
RV-02
G ½
RV-01
G ½
01
01
G ½
G ½
FEED
WATER
PE R ME ATE
PIPES VALVES
CONCENTRATE RECYCLE
Needle Valve
Check Valve
M
Motorized Valve
FI
Rotameter
03
02
01
CE
CE
Pressure gauge
(process mount)
Pressure switch
(process mount)
Conductivity probe
(process mount)
MH-01, MH-02
membrane housings
G ½
CO NC E N T R AT E
G ½
G ½
03
01
PS
01
PS
03
01
01
01
01
S
S
Solenoid Valve
PI
01
01
PI
02
01
01
ECOSOFT MO-12000 BW SS REVERSE OSMOSIS SYSTEM
Pipe and Instrument Diagram
* process design may be amended on manufacturer's discretion without deteriorating product functionality
and application compatibility
INSTRUMENTS
PS
02
Stainless steel pipe DN15
01
PI
PS
G ¼
G ¼G ¼
G ¼
G ¼
G ½
M
FI
FI
FI
MV-01
G ½″
FH-01
filter housing
G 1″
Grundfos CRN 1-36
PJE DN32
CV-01
DN15 weld
CV-02
DN15 weld
G ½″
MV-02
G ½″
RV-02
G ½″
RV-01
G ½″
01
01
G ½″
G ½″
FEED
WATER
PE R ME ATE
PIPES VALVES
CONCENTRATE RECYCLE
Needle Valve
Check Valve
M
Motorized Valve
FI
Rotameter
03
02
01
CE
CE
Pressure gauge
(process mount)
Pressure switch
(process mount)
Conductivity probe
(process mount)
MH-01
membrane housing
G ½″
CO NC E N T R AT E
G ½″
G ½″
03
01
PS
01
PS
03
01
01
01
01
S
S
Solenoid Valve
PI
01
01
PI
02
01
01
ECOSOFT MO-6500 BW SS REVERSE OSMOSIS SYSTEM
Pipe and Instrument Diagram
* process design may be amended on manufacturer's discretion without deteriorating product functionality
and application compatibility
INSTRUMENTS
PS
02
Stainless steel pipe DN15
01
PI
PS
G ¼″
G ¼″G ¼″
G ¼″
G ¼″
G ½″
M
FI
FI
FI
MV-01
G ½
FH-01
filter housing
G 1″
Grundfos CRN 1-36
PJE DN32
CV-01
DN15 weld
CV-02
DN15 weld
G ½
MV-02
G ½
RV-02
G ½
RV-01
G ½
01
01
G ½
G ½
FEED
WATER
PE R ME ATE
PIPES VALVES
CONCENTRATE RECYCLE
Needle Valve
Check Valve
M
Motorized Valve
FI
Rotameter
03
02
01
CE
CE
Pressure gauge
(process mount)
Pressure switch
(process mount)
Conductivity probe
(process mount)
MH-01, MH-02
membrane housings
G ½
CO NC E N T R AT E
G ½
G ½
03
01
PS
01
PS
03
01
01
01
01
S
S
Solenoid Valve
PI
01
01
PI
02
01
01
ECOSOFT MO-12000 BW SS REVERSE OSMOSIS SYSTEM
Pipe and Instrument Diagram
* process design may be amended on manufacturer's discretion without deteriorating product functionality
and application compatibility
INSTRUMENTS
PS
02
Stainless steel pipe DN15
01
PI
PS
G ¼
G ¼G ¼
G ¼
G ¼
G ½

Related product manuals