EasyManua.ls Logo

Elo Touch Solutions ET1517L - LED Driver Board Diagram (for ET1717 L Only); Power Structure

Elo Touch Solutions ET1517L
44 pages
Print Icon
To Previous Page IconTo Previous Page
To Previous Page IconTo Previous Page
Loading...
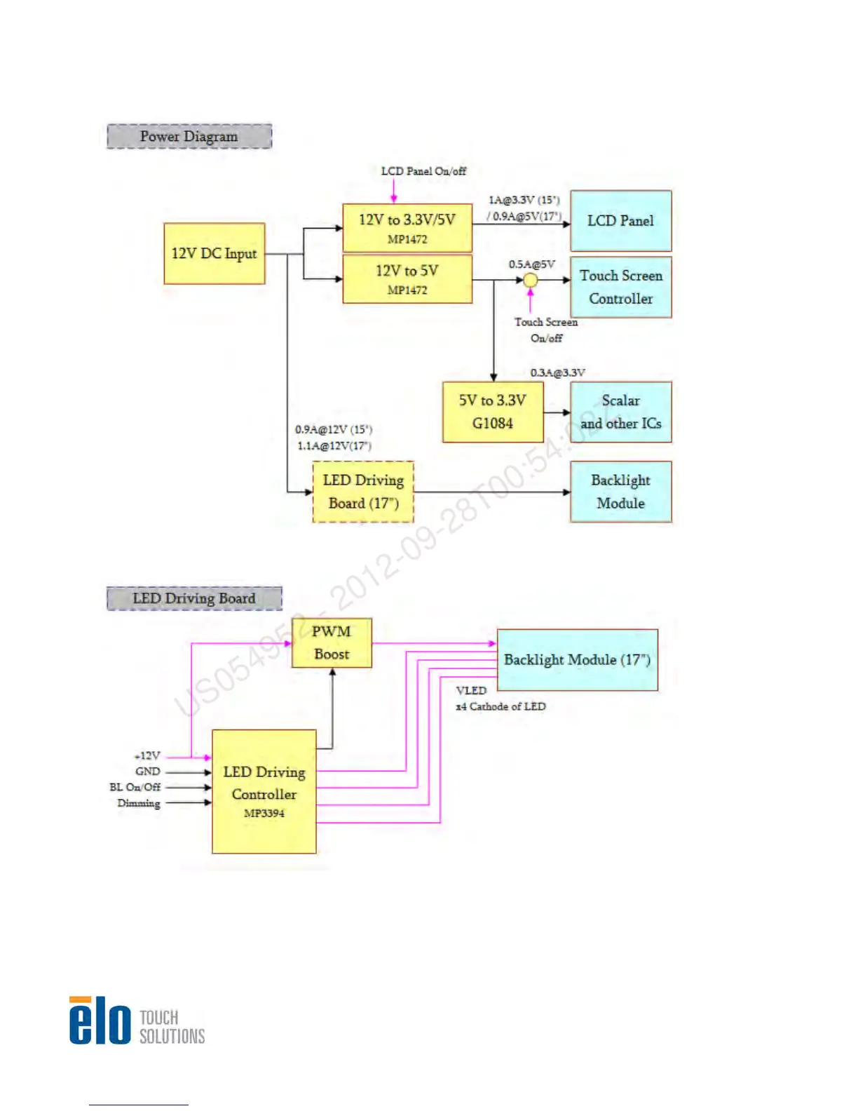
3.4.4. Power structure
3.4.5. LED Driver Board Diagram (For ET1717L Only)
Service Manual: ET1517L, ET1717L
ES600904 Rev B, Page 44 of 44
US054952 - 2012-09-28T00:54:02Z

Related product manuals