EasyManua.ls Logo

Emerson Daniel 3415 - 7.1.2 Waveform Viewer

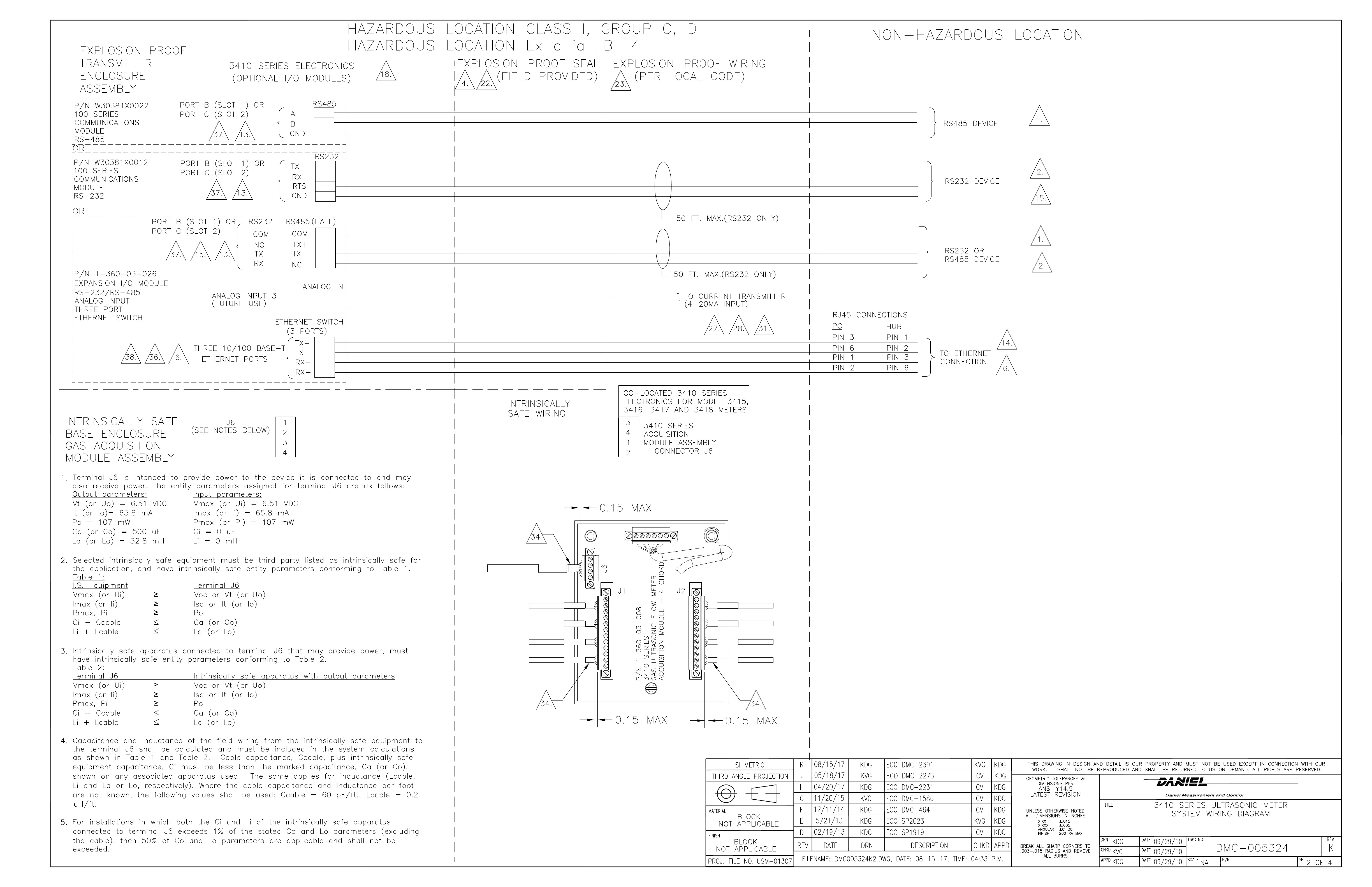
Emerson Daniel 3415
140 pages
Print Icon
To Next Page IconTo Next Page
To Next Page IconTo Next Page
To Previous Page IconTo Previous Page
To Previous Page IconTo Previous Page
Loading...

Table of Contents

Other manuals for Emerson Daniel 3415

Related product manuals