EasyManua.ls Logo

Epiroc BQ3-DTH - Page 24

Epiroc BQ3-DTH
32 pages
Print Icon
To Next Page IconTo Next Page
To Next Page IconTo Next Page
To Previous Page IconTo Previous Page
To Previous Page IconTo Previous Page
Loading...
24
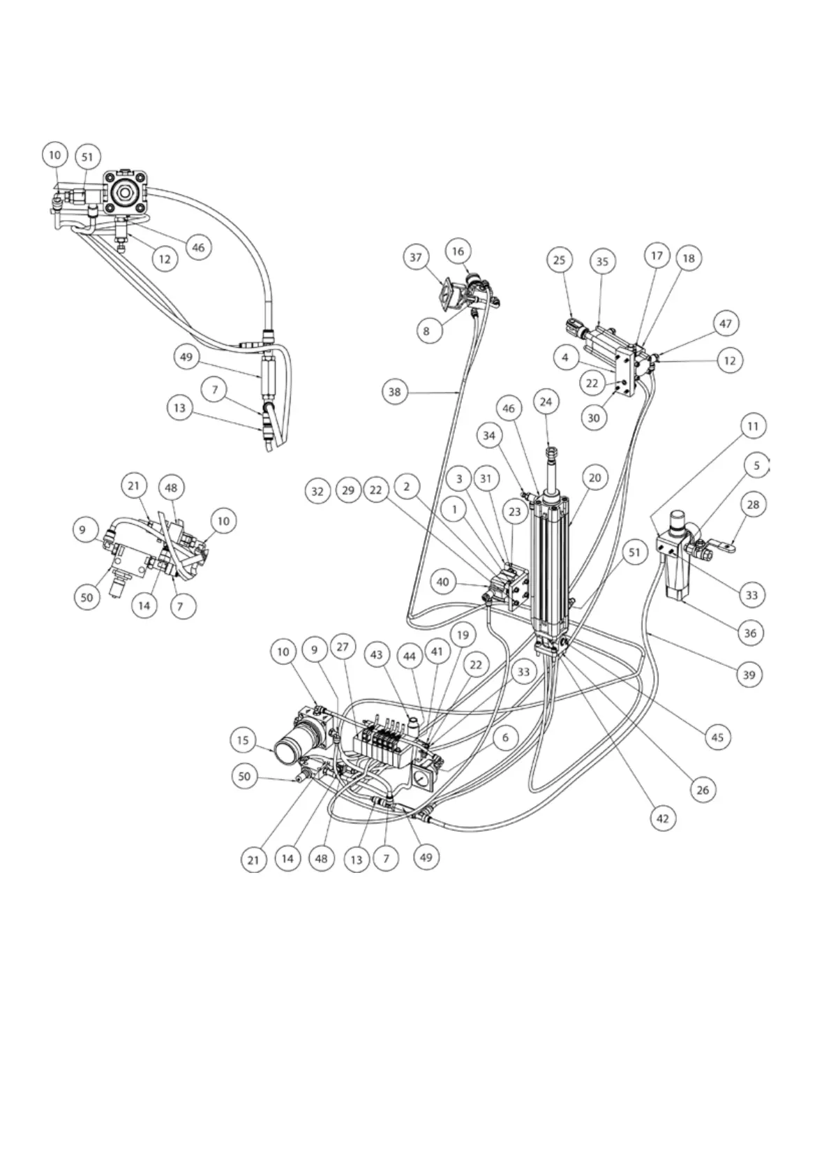
Pneumatic components

Related product manuals