EasyManua.ls Logo

Epson EH-TW650 - Projector Parts - Base; Projector Parts - Control Panel

Epson EH-TW650
157 pages
Print Icon
To Next Page IconTo Next Page
To Next Page IconTo Next Page
To Previous Page IconTo Previous Page
To Previous Page IconTo Previous Page
Loading...
Projector Parts and Functions
12
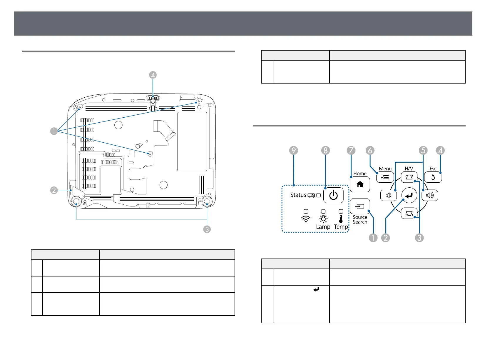
Projector Parts - Base
Name Function
A
Ceiling mount fixing
points (three points)
Attach the optional ceiling mount here when
suspending the projector from a ceiling.
B
Security cable
attachment point
Pass a commercially available wire lock through here
and lock it in place.
C
Rear feet When the projector is set up on a surface such as a
desk, turn to extend and retract the feet to adjust the
horizontal tilt.
Name Function
D
Front adjustable foot When the projector is set up on a surface such as a
desk, extend the foot to adjust the position of the
image.
gg Related Links
"Installing a Security Cable" p.76
Projector Parts - Control Panel
Name Function
A
[Source Search]
button
Swithces to the next input source.
B
[Enter] button [ ] Enters the current selection and moves to the next level
while displaying the projector's menu or help.
Optimizes Tracking, Sync., and Position in the
projector's Signal menu while projecting an analog
RGB signal from the Computer port.

Table of Contents

Related product manuals