EasyManua.ls Logo

ESAB ESP-200 - Page 94

ESAB ESP-200
102 pages
Print Icon
To Next Page IconTo Next Page
To Next Page IconTo Next Page
To Previous Page IconTo Previous Page
To Previous Page IconTo Previous Page
Loading...
94
SECTION 7 REPLACEMENT PARTS
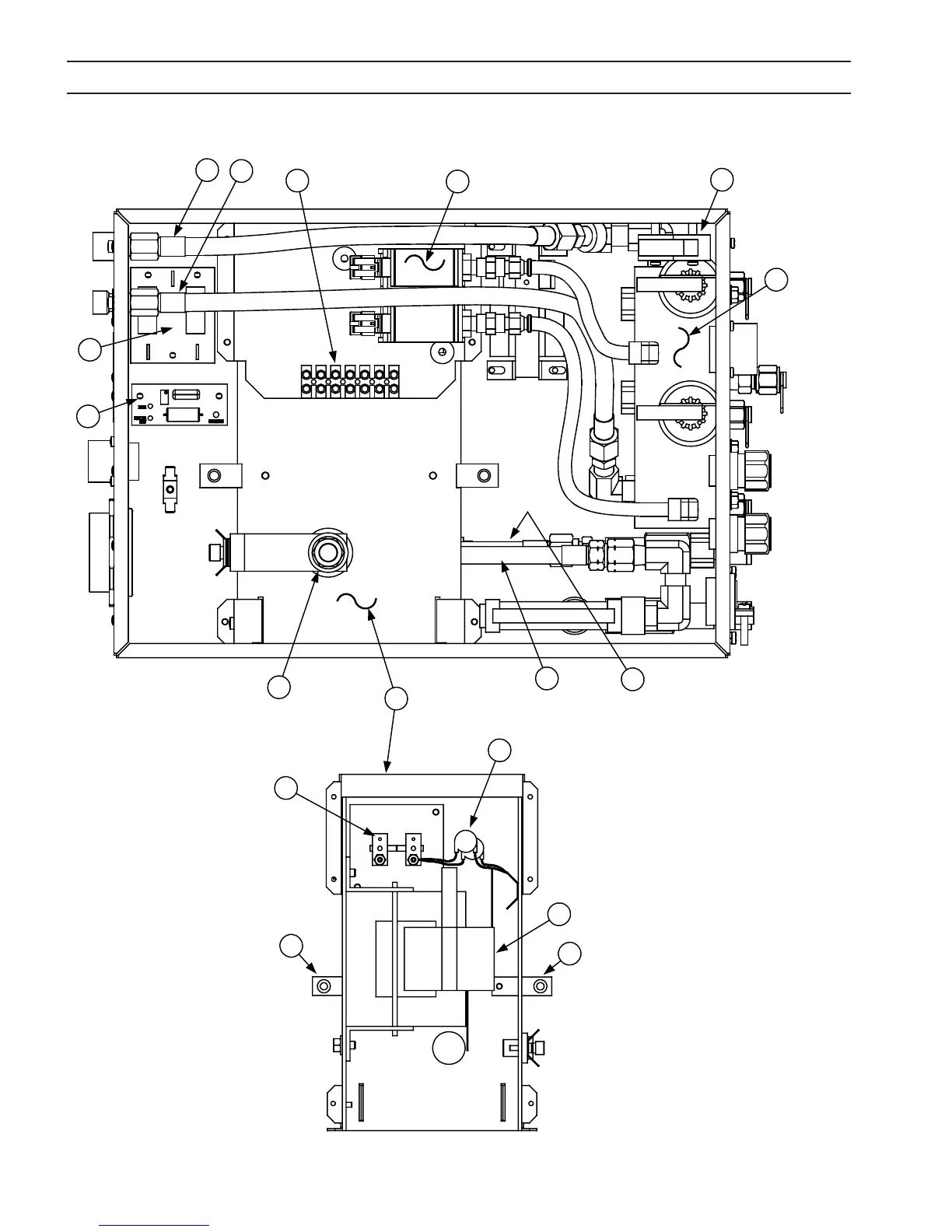
7.11 ESP-200 Plumbing Box P/N 22000 -- Inside and H.F. Box
1
2
3
4
5
6
7
8
9
10
11
12
13
14
15
16
17

Related product manuals