EasyManua.ls Logo

ESAB MEK 4 - Voltage Adjustment (Serial No. 431)

ESAB MEK 4
30 pages
Print Icon
To Next Page IconTo Next Page
To Next Page IconTo Next Page
To Previous Page IconTo Previous Page
To Previous Page IconTo Previous Page
Loading...
-- 1 2 --
cmek0de1
4a Voltag e adjustment
Applies to MEK 4 with serial number 431 . . . . . .
cmek0e10
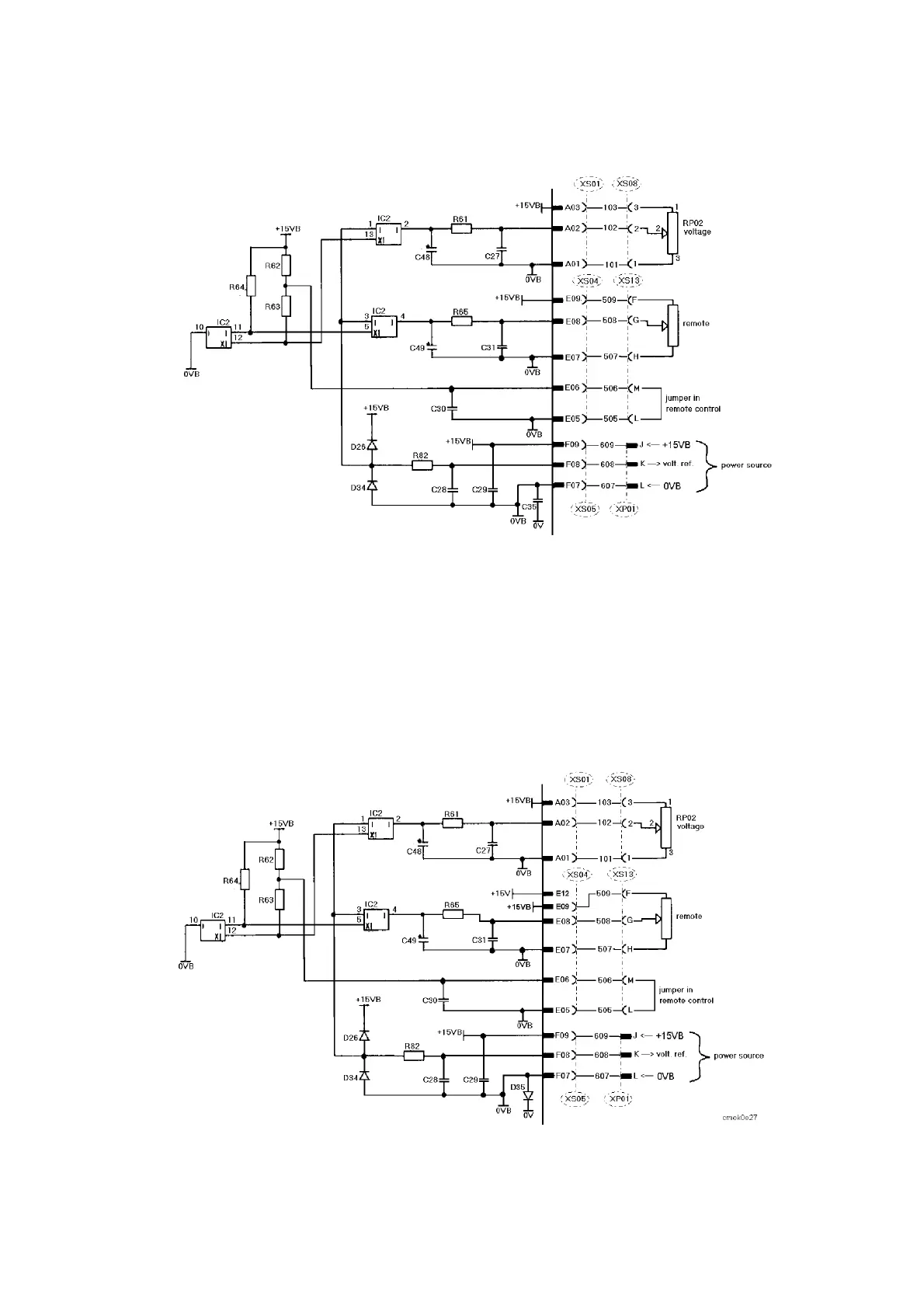
Voltage adjustment, circuit board AP01 with article number 0486 205 880
When the MEK 4 is connected to a power unit with steplessly variable output
voltage, potentiometer RP02 on the front of the unit can be used to control t he power
unit output voltage.
The +15 VB and 0 VB voltages are supplied by t he power unit via connector XP01.
The voltage adjustment circuits are galvanically isolated from the other circuits at
circuit board AP01.
The remote control unit for voltage control is connected to pins F, G, H, L and M in
connector XS13. A link must be fitted between pins L and M in order to activate t he
unit.
Voltage adjustment, circuit board AP01 with article number 0486 205 882
The voltage adjustment circuits are not galvanically isolated from the other circuits
on the board when cir cuit board --882 is used.

Related product manuals