EasyManua.ls Logo

ESAB MEK 4 - Wiring Diagram (Serial No. 514-xxx-xxxx to 826-xxx-xxxx)

ESAB MEK 4
30 pages
Print Icon
To Next Page IconTo Next Page
To Next Page IconTo Next Page
To Previous Page IconTo Previous Page
To Previous Page IconTo Previous Page
Loading...
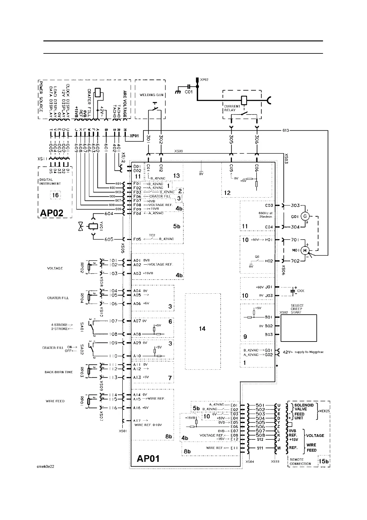
-- 6 --
cmek0de1
WIRING DIAGRAM Valid f or serial no. 514--xxx--xxxx to 826--xxx--xxxx
MEK 4
See page 17

Related product manuals