EasyManua.ls Logo

ESAB MEK 4 - Motor Driving and Braking

ESAB MEK 4
30 pages
Print Icon
To Next Page IconTo Next Page
To Next Page IconTo Next Page
To Previous Page IconTo Previous Page
To Previous Page IconTo Previous Page
Loading...
-- 1 8 --
cmek0de1
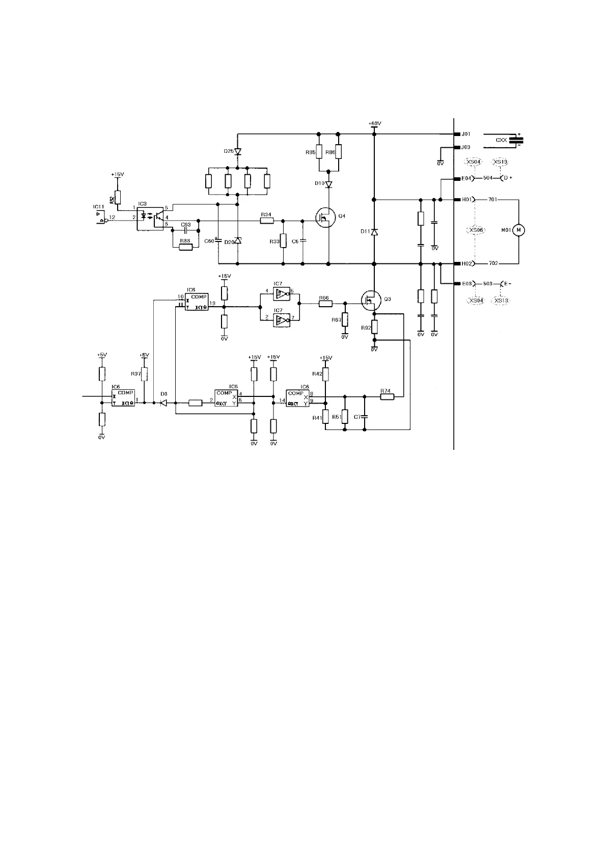
10 Motor driving / b raking
cmek0e17
The motor is powered by the smoothed +60 V supply. Pulse width modulation,
controlled by transistor Q3, is used to vary the motor voltage. The pulse frequency
is 12 kHz, and the maximum conducting time of the pulses is 97% of the pulse cycle
time. Freewheel diode D11 maintains motor current during the pulse breaks.
At a supply voltage of 42 V, the wire feed drive roller has a speed of 258 r/min. At a
drive roller speed of 266 r/min, the wire feed speed is 25 m/min.
Pins D and E in the remote control unit connector XS13 provide power for the motor
in an intermediate wire f eed unit or for a PKE (push/pull) welding gun. If an
intermediate wire feed unit is being used in extreme applications (low mains voltage
and long cables), an additional 4700µF smoothing capacitor CXX must be connected
(ordering number 0193 141 048) .
The voltage drop across resistor R92 provides a signal t hat is proportional to the
motor current. When the current exceeds 15.4 A, IC6:2 turns off the gate pulse to
Q3. When the current drops, Q3 conducts again at the next gate pulse.
Circuit board AP01 with article number 0486 205 880 was delivered with a current
limit of 7A. The current limit of this circuit boards can be changed by replacing
R41. R41 = 220 Ω⇒7 A current limit. R41 = 470 Ω⇒15. 4 A current limit.
Circuit board AP01 with article number 0486 205 882 is delivered with a current
limit of 15.4A.

Related product manuals