EasyManua.ls Logo

ESAB MEK 4 - Gas Valve (Serial No. 431); Gas Valve (Serial No. 514+)

ESAB MEK 4
30 pages
Print Icon
To Next Page IconTo Next Page
To Next Page IconTo Next Page
To Previous Page IconTo Previous Page
To Previous Page IconTo Previous Page
Loading...
-- 1 4 --
cmek0de1
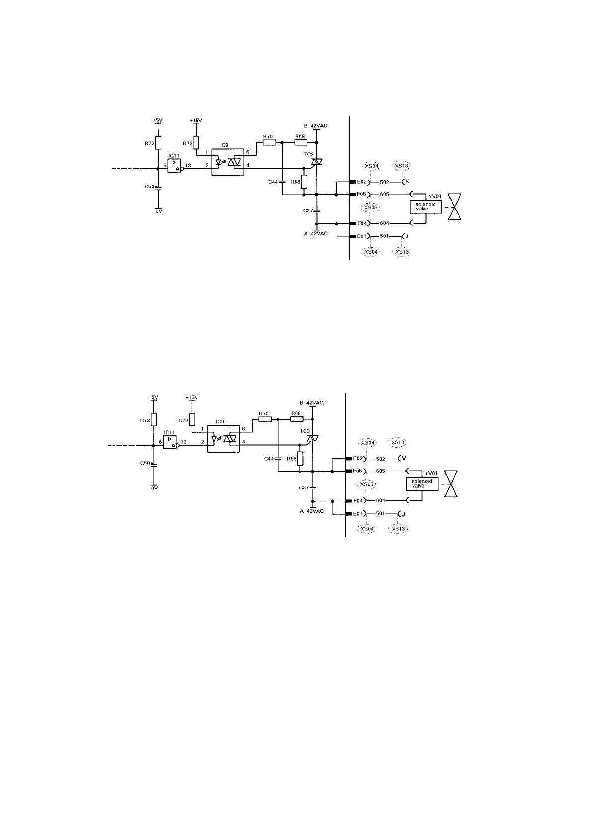
5a Gas valve
Applies to MEK 4 with serial number 431 . . . . . .
cmek0e11
The gas valve is connected to connectors F04 and F05. If an intermediate wire feed
unit is being used, its gas valve is connected via pins K and J in the remote control
connector (XS13).
5b Gas valve
Applies to MEK 4 with serial number 514 . . . . . . and above.
cmek0e24
The gas valve is connected to connectors F04 and F05. If an intermediate wire feed
unit is being used, its gas valve is connected via pins V and U in the remote control
connector (XS13).

Related product manuals