EasyManua.ls Logo

ESAB PEH A2 - Diagram; Ñõåìà

ESAB PEH A2
40 pages
Print Icon
To Next Page IconTo Next Page
To Next Page IconTo Next Page
To Previous Page IconTo Previous Page
To Previous Page IconTo Previous Page
Loading...
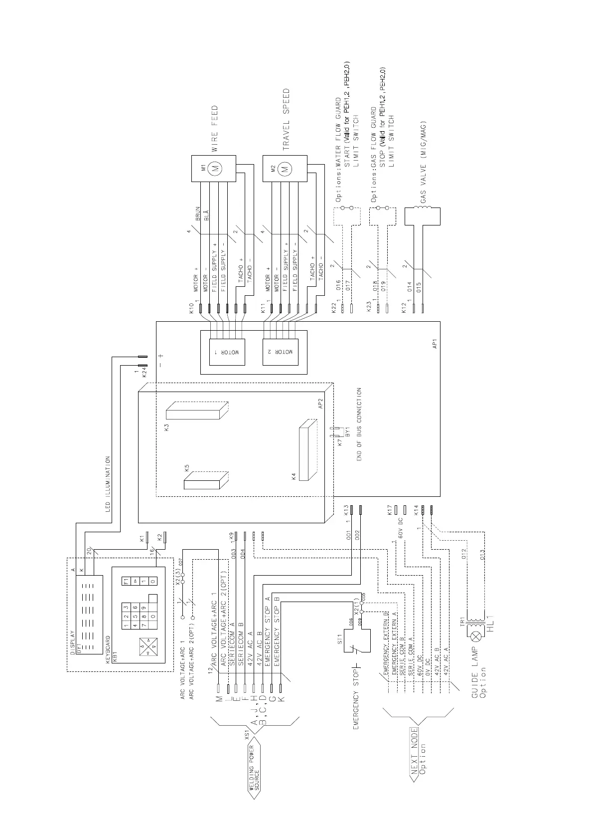
Diagram Ñõåìà
-- 3 5 --
dgb7e12a

Table of Contents

Related product manuals