EasyManua.ls Logo

EVBox Troniq - CIVIL ENGINEERING; 3.1 Charger Positioning (Without APC)

EVBox Troniq
34 pages
Print Icon
To Next Page IconTo Next Page
To Next Page IconTo Next Page
To Previous Page IconTo Previous Page
To Previous Page IconTo Previous Page
Loading...
Page 6/34
3. CIVIL ENGINEERING
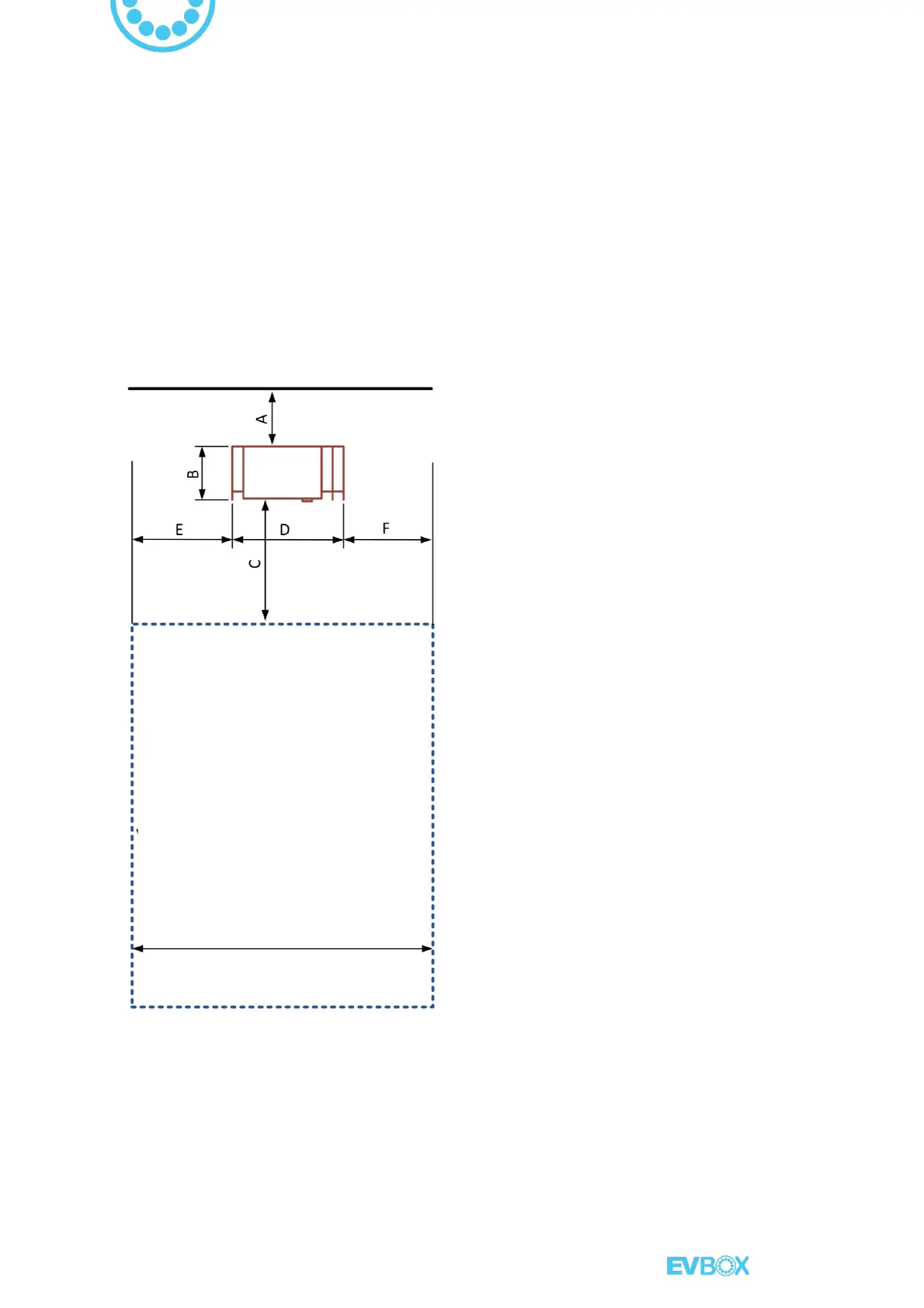
3.1 Charger positioning (without Auxiliary power cabinet – APC)
As there are some limitations (including cables length), we recommend the following installation for
the charger in relation to a parking space of 2500 mm width:
A: Distance to the wall
à Minimum: 100 mm to do not compromise
good ventilation
à Minimum: 600 mm to do not compromise
the access to the rear socket type E or F
B: Depth of the charger
à 448 mm
C: Distance between charger and parking
place as marked on the ground:
à Minimum: 500 mm to allow free access to
emergency stop and the HMI
à Maximum: 800 mm limited by the length
of the vehicle charging cables
D: Width of the charger
à 920 mm
E & F: Distance to the parking place
à Minimum: 550 mm not to hinder the user
when handling the connector.
à Maximum: 930 mm, limited by the length
of the vehicle charging cables.
(A + B + C) minimum = 1048 mm
Warning:
- It is recommended, so as to avoid
overheating, install it under a shelter or
shaded-area in order to protect from direct
sunlight.
- If installed indoors, the room should be
ventilated by a permanent air exchange
system. The ventilation rate of the charger
can reach 1200 m
3
/h.
Wall
Rear side
Front side
Charger
Parking place
2500 mm

Related product manuals