EasyManua.ls Logo

Evinrude E-TEC 300 - Electric Start Circuit

Evinrude E-TEC 300
416 pages
Print Icon
To Next Page IconTo Next Page
To Next Page IconTo Next Page
To Previous Page IconTo Previous Page
To Previous Page IconTo Previous Page
Loading...
99
ELECTRICAL AND IGNITION
ELECTRIC START CIRCUIT
6
ELECTRIC START CIRCUIT
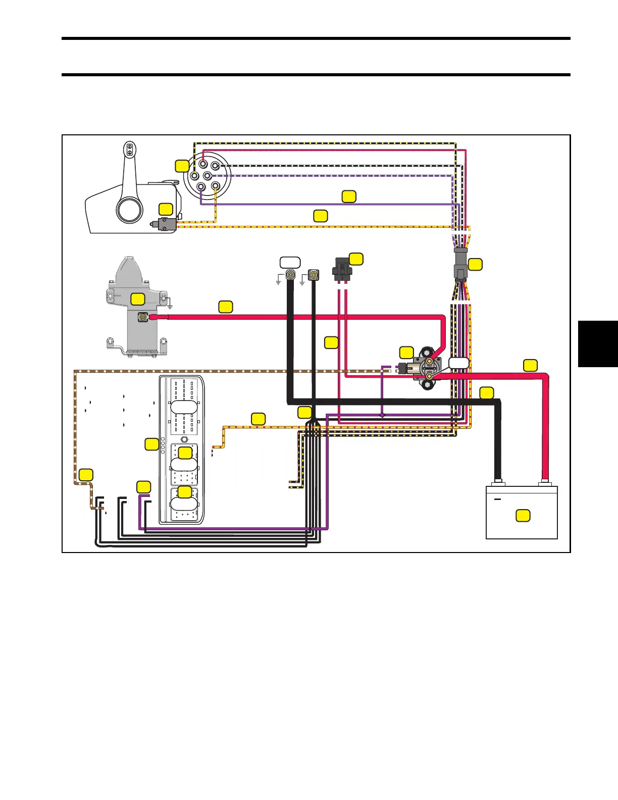
Start Circuit Diagram
20 21 22 23 24 25 26
14 15 16 17 18 19
8 9 10 11 12 13
1 2 3 4 5 6 7
18 19 20 21 22 23 24 25
26 27 28 29 30 31 32 33 34
10 11 12 13 14 15 16 17
20 21 22 23 24 25 26 27 28 29
11 12 13 14 15 16 17 18 19
1 2 3 4 5 6 7 8 9 10
1 2 3 4 5 6 7 8 9
+
+
J2
J1-A
J1-B
M
A
S
C
M
B
123456
2
53416
A
B
FUSE
BA
004112
NEG
8
13
15
9
5
10
9
1
2
3
4
6
11
12
13
16
3
14
17
7
POS
1. Marine battery 10. 26-pin J1-B EMM connector
2. RED wire (POS) 11. 34-pin J1-A EMM connector
3. BLACK wire (NEG) 12. Engine Management Module (EMM)
4. Starter solenoid 13. YELLOW/RED wire, start
5. Fuse (10 amp) 14. BROWN/WHITE wire, start signal
6. RED/PURPLE wire 15. Neutral Safety Switch (remote control)
7. 6-pin connectors 16. RED starter motor cable
8. Ignition switch 17. Electric starter motor
9. PURPLE wire (switched B+)

Table of Contents

Related product manuals