EasyManua.ls Logo

Evinrude E-TEC 300 - Oiling System Circuit Diagram

Evinrude E-TEC 300
416 pages
Print Icon
To Next Page IconTo Next Page
To Next Page IconTo Next Page
To Previous Page IconTo Previous Page
To Previous Page IconTo Previous Page
Loading...
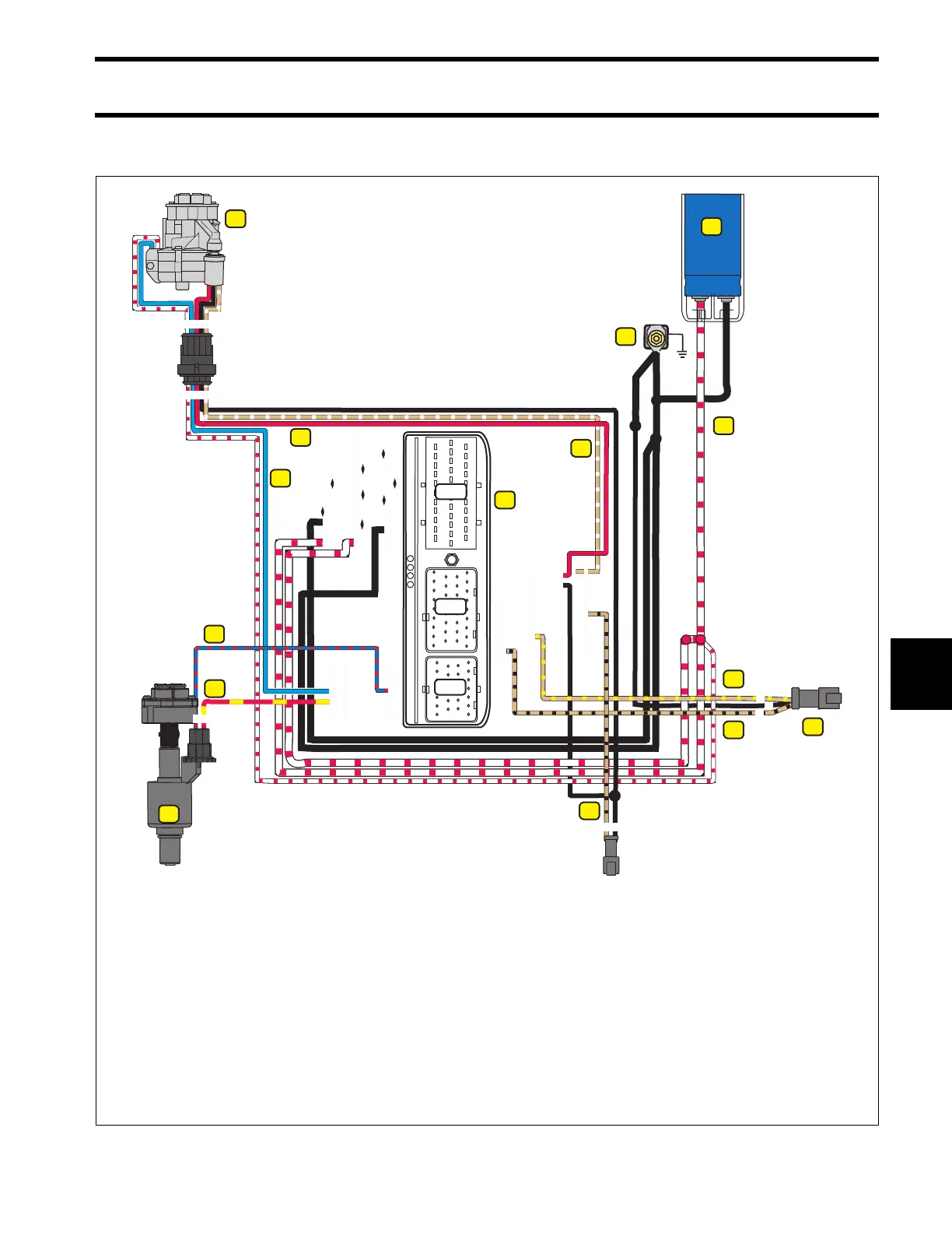
OILING SYSTEM
OILING SYSTEM CIRCUIT DIAGRAM
157
8
OILING SYSTEM CIRCUIT DIAGRAM
008364
18 19 20 21 22 23 24 25
10 11 12 13 14 15 16 17
20 21 22 23 24 25 26 27 28 29
11 12 13 14 15 16 17 18 19
1 2 3 4 5 6 7 8 9 10
1 2 3 4 5 6 7 8 9
1 2 3 4 5 6 7
14 15 16 17 18 19
8 9 10 11 12 13
1
6
5
3
20 21 22 23 24 25 26
1 2 3 4 5
2 1
1 2
3
6 5
4
1 2 3 4 5
J2
J1-B
J1-A
26 27 28 29 30 31 32 33 34
4
7
8
9
10
11
12
13
14
15
2
A B
1.
2.
3.
4.
5.
6.
7.
8.
Crankcase Oil Injection Pump
Cylinder Oil Injection Pump
EMM
55 V Circuit (WHITE/RED)
Capacitor
Grounds, NEG (BLACK)
EMM to Oil Solenoid (BLUE)
Oil Pressure Sensor, +5 V analog (RED)
9.
10.
11.
12.
13.
14.
15.
Oil Pressure Sensor Signal (TAN/WHITE)
Rear Oil Injector control (BLUE/RED)
Rear Oil Injector +12 V (RED/YELLOW)
Low Oil Switch (TAN/BLACK)
NO OIL Signal (TAN/YELLOW)
LOW OIL Signal (TAN/BLACK)
SystemCheck Connector

Table of Contents

Related product manuals