EasyManua.ls Logo

EVPoint EV22 Series - Page 20

Default Icon
49 pages
Print Icon
To Next Page IconTo Next Page
To Next Page IconTo Next Page
To Previous Page IconTo Previous Page
To Previous Page IconTo Previous Page
Loading...
page 20 of 49
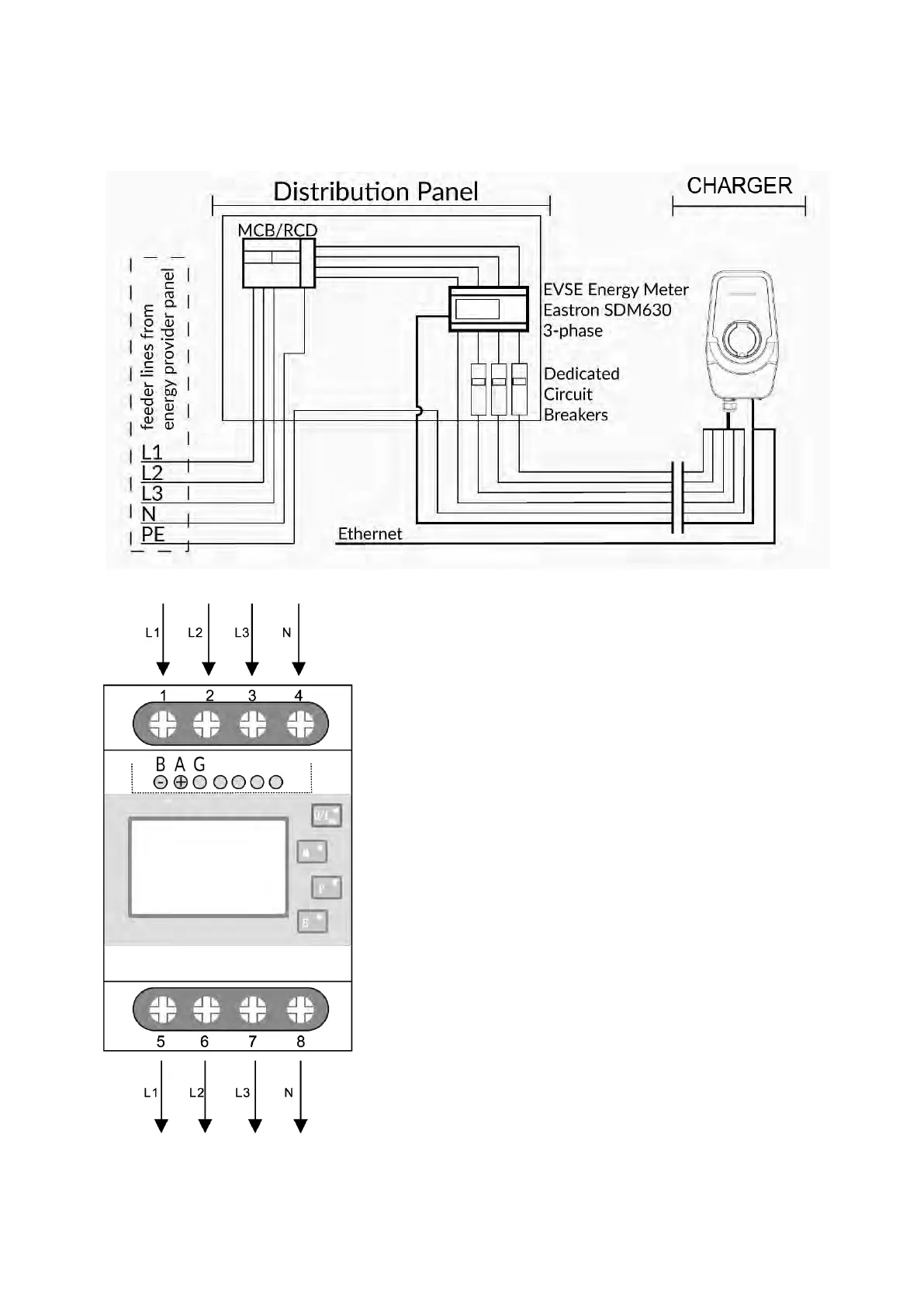
Overall system wiring diagram: 3-phase with MID meter
Wiring diagram for the EASTRON SDM630 Modbus V2
Observe the direction of power line wiring and the pinout for
the RS-485 communication bus (G=GND).
Improper connection may result in serious damage and/or
injury hazards!