EasyManua.ls Logo

Exmark Lazer LZE - Page 68

Exmark Lazer LZE
96 pages
Print Icon
To Next Page IconTo Next Page
To Next Page IconTo Next Page
To Previous Page IconTo Previous Page
To Previous Page IconTo Previous Page
Loading...
Maintenance
8.Inserttheheightadjustmentpinintothe4inch
(102mm)cuttingheightlocationandreinstallthe
lynchpins.
9.Locktheleftandrightwingdeckcamlocks.
10.Startengine.Brakemustbeengagedand
motioncontrolleversouttostartengine.
Operatordoesnothavetobeintheseat.Be
surethatallpersonsareclearofthedeckwings.
Pressandholdthefrontofthedeckcontrol
switchuntilthecenterdecklowersandbothwings
arecompletelyunfoldedtothecuttingheight.
11.Stopengine,waitforallmovingpartstostop,
engagetheparkingbrakeandremovethekey.
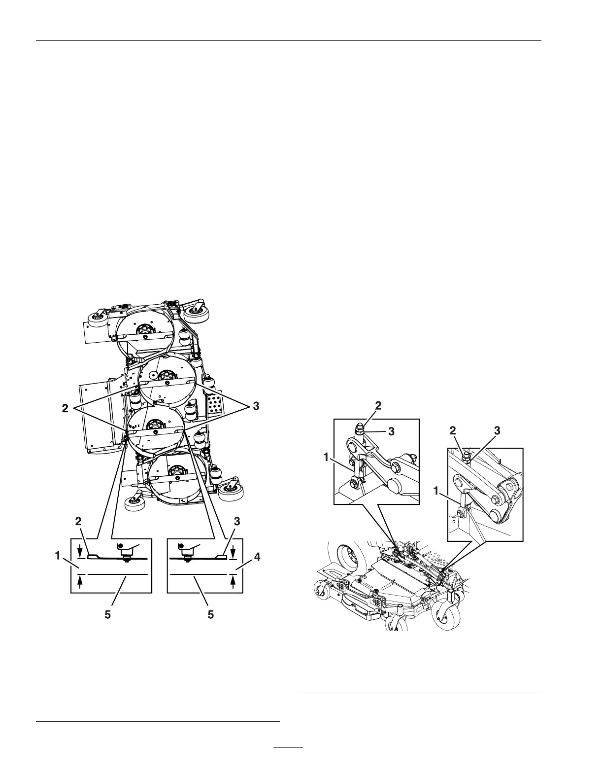
12.Measurefromthelevelsurfacetothefronttip
oftheLHandRHcenterdeckblades.The
measurementshouldread4inches(102mm).
g295607
Figure48
1.41/4inches(108mm)
2.Backbladetip
3.Frontbladetip
4.4inches(102mm)
5.Levelsurface
AdjustingtheCenterDeck
1.Adjusttheheighttoincrease,turnthe
adjusterscrewclockwise;todecrease,turn
counterclockwise.
Loosenthejamnutsonthetopofeachdeck
adjuster.Finetunetheadjusteronthefrontdeck
liftassemblybyturningittogetthecorrectheight
forthecenterdeckleftandrightfrontbladetips
(seeFigure49).
2.Measurethebacktipheight.Finetunerear
adjustersasrequired;thesinglepointadjustment
canbeutilizedtogainmoreadjustment.
3.Re-measureuntilallfoursidesarethecorrect
height.Tightenallthejamnutsonthedecklift
armassemblies.
4.Ifthefourdeckadjustersdonothaveenough
adjustmenttoachieveaccuratecutheightwiththe
desiredrake,thesinglepointadjustmentcanbe
utilizedtogainmoreadjustment
5.Toadjustthesinglepointsystem,rstloosenthe
frontandrearheightofcutplatemountingbolts.
Finetunetherearadjustersasrequired;thesingle
pointadjustmentcanbeutilizedtogainmore
adjustment.
g295693
Figure49
1.Adjusterlink3.Adjuster
2.Jamnut
6.Ifthedeckistoolow,tightenthesinglepoint
adjustmentboltbyrotatingitclockwise.If
68

Table of Contents

Related product manuals