EasyManua.ls Logo

Exmark Phazer 4500-461 - Electrical Schematic

Exmark Phazer 4500-461
20 pages
Print Icon
To Next Page IconTo Next Page
To Next Page IconTo Next Page
To Previous Page IconTo Previous Page
To Previous Page IconTo Previous Page
Loading...
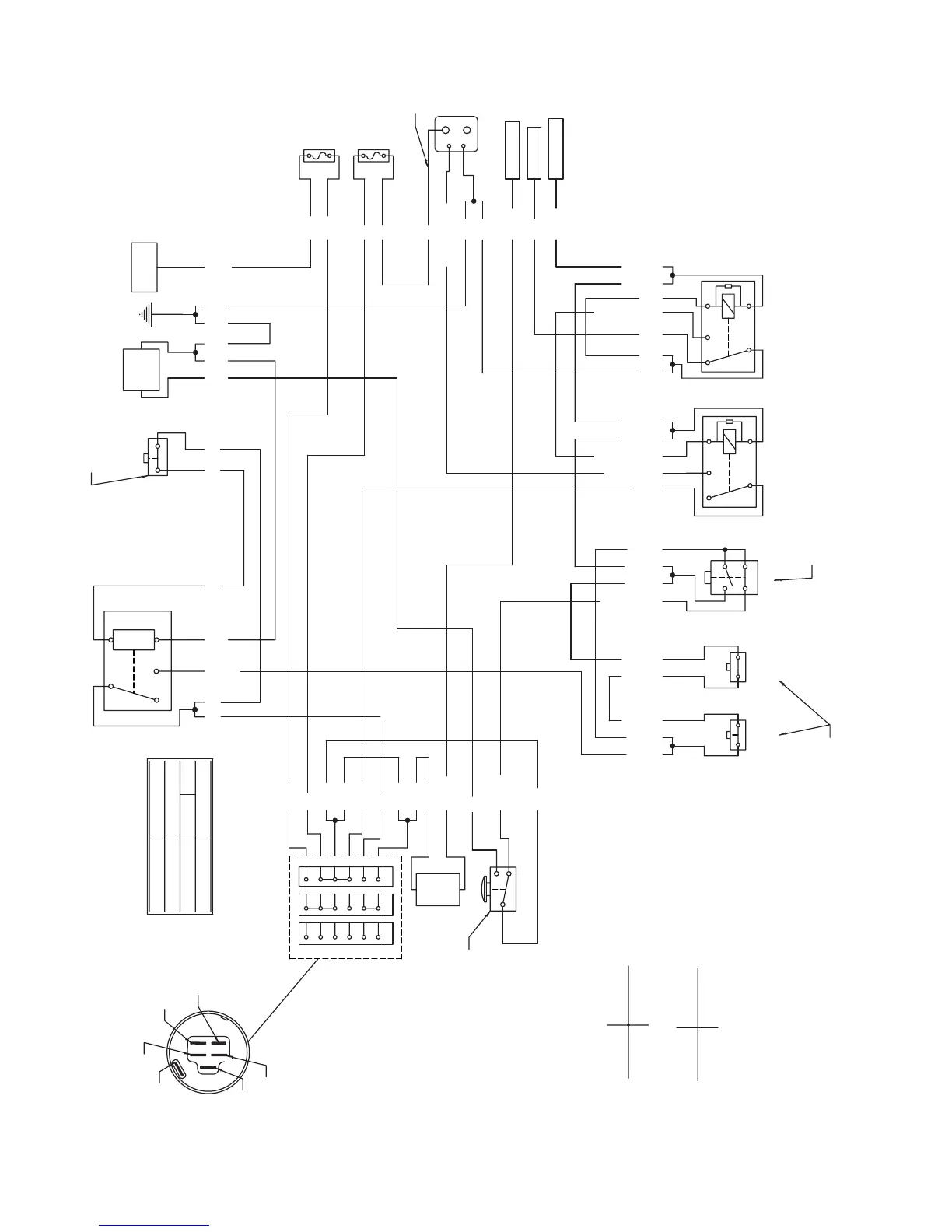
ELECTRICAL SCHEMATIC
-16-
TAN
-
+
DK GREEN
DK. GREEN
BLACK
TAN
YELLOW
ORANGE
ORANGE
ORANGE
ORANGE
RED
VIOLET
ORANGE
DK BLUE
PTO
SWITCH
ORANGE
PINK/BLACK
GREY
TAN
SEAT
SWITCH
WHITE
DK. BLUE
RECTIFIER/
REGULATOR
OIL PRESSURE
FUEL SOLENOID
ENGINE KILL
KILL
RELAY
HOUR
METER
IGNITION
SWITCH
START
RELAY
BRAKE
RH MOTION
CONTROL
LH MOTION
CONTROL
STARTER
SOLENOID
20 AMP
FUSE
GROUND
ELECTRIC
CLUTCH
(PTO)
SEAT DELAY
MODULE
VIOLET
VIOLET
RED
RED
RED
BLACK
BLACK
LT. BLUE
BLACK
BLACK
BLACK
TAN
TAN
BLACK
TAN
GREY
VIOLET
LT. BLUE
LT. BLUE
PINK/BLACK STRIPE
DK. GREEN
LT. GREEN
LT. GREEN
DK. GREEN
DK. GREEN
LT. BLUE
DK. GREEN
DK. GREEN
DK. GREEN
YELLOW
ORANGE/BLK STRIPE
BLACK
DK. GREEN/WHT STRIPE
BLACK
BLACK
WHITE
DK. GREEN/WHT STRIPE
ORANGE/BLK STRIPE
3. START
POSITION
1. OFF
2. RUN
B + I + S
CIRCUIT "MAKE"
X + Y
NONE
B + I + A
OFF RUN START
A
B
I
S
X
Y
20 AMP
FUSE
WIRES CROSSING
(NOT CONNECTED)
WIRES CONNECTED
SHOWN WITH
BRAKE ENGAGED
SHOWN WITH LEVERS IN NEUTRAL
LOCK POSITION (HANDLES OUT)
+ 12V
TERMINAL X
TERMINAL Y
TERMINAL A
TERMINAL B
TERMINAL S
TERMINAL I
SHOWN WITH PTO
DISENGAGED (SWITCH IN)
SHOWN WITH OPERATOR
IN SEAT
G007921

Related product manuals