EasyManua.ls Logo

Exmark VANTAGE X Series - Page 52

Exmark VANTAGE X Series
60 pages
Print Icon
To Next Page IconTo Next Page
To Next Page IconTo Next Page
To Previous Page IconTo Previous Page
To Previous Page IconTo Previous Page
Loading...
Schematics
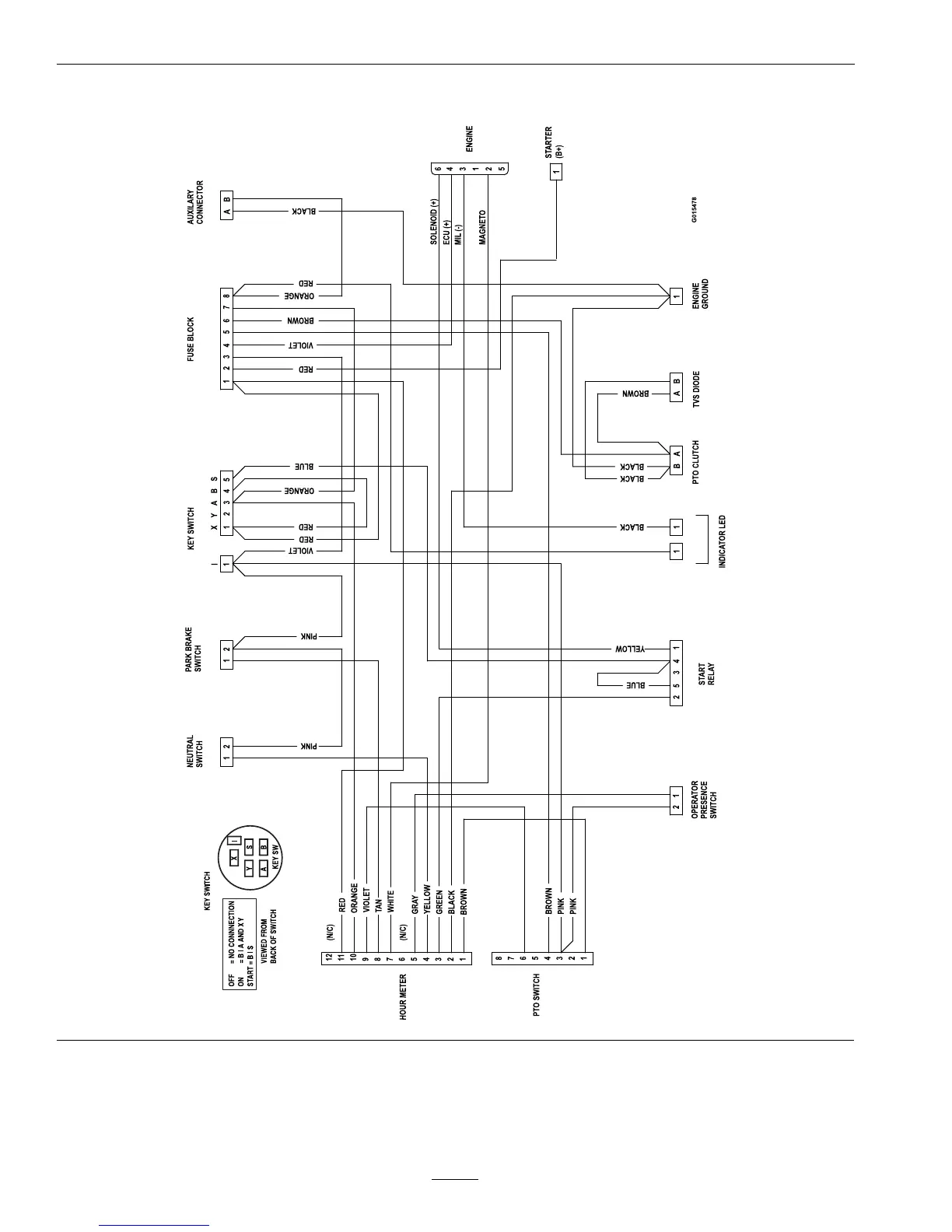
ElectricalDiagram–KohlerEFI
52

Table of Contents

Related product manuals