EasyManua.ls Logo

Exmark VANTAGE - Operator Controls and Indicators

Exmark VANTAGE
60 pages
Print Icon
To Next Page IconTo Next Page
To Next Page IconTo Next Page
To Previous Page IconTo Previous Page
To Previous Page IconTo Previous Page
Loading...
Operation
Operation
Note:Determinetheleftandrightsidesofthe
machinefromthenormaloperatingposition.
Controls
MotionControlLevers
Themotioncontrollevers,locatedoneachsideofthe
topconsole,controltheforwardandreversemotion
ofthemachine.
Movingtheleversforwardorbackwardturns
thewheelonthesamesideforwardorreverse
respectively.Wheelspeedisproportionaltothe
amounttheleverismoved.
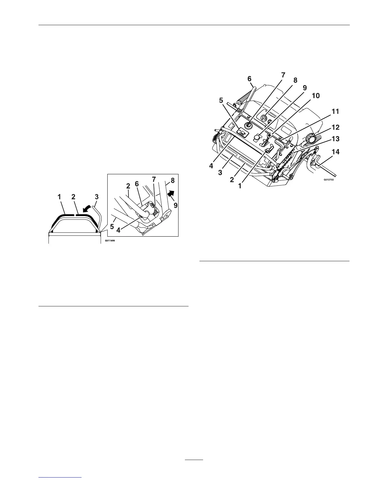
Figure4
1.LHMotioncontrollever6.Neutral
2.RHMotioncontrollever7.Forward
3.RHMotioncontrol
leverinPTOdisengage
position
8.Frontreference/Speed
controlbar
4.Reverse
9.Frontofunit
5.Rearreferencebar
Whenthemotioncontrolleversareintheneutral
position,theLCDindicatorappearsinthemessage
displayonthefrontcontrolconsole(see
Figure5
andFigure7).
Whenthemotioncontrolleversareintheneutral
positionandtheRHmotioncontrolleverismoved
intothePTOdisengageposition,themowerblades
willdisengage.
ChokeControl(AllUnitsExcept
KohlerEFI)
Locatedonthefrontcontrolconsolerightofthe
PTOengagementswitch.
Thechokeisusedtoaidinstartingacoldengine.
Movingthechokeleverforwardwillputthechokein
the“ON”positionandmovingthechokelevertothe
rear,tothedetent,willputthechokeinthe“OFF”
position.DoNotrunawarmenginewithchokein
the“ON”position.
Figure5
1.Throttle8.Fuelgauge
2.RHMotioncontrollever
9.PTOengagementswitch
3.LHMotioncontrollever
10.Choke
4.FrontReference/Speed
ControlBar
11.Decklifthandle
5.Messagedisplay12.Fuelcap
6.Parkbrakelever
13.Height-of-cutpin
7.Ignitionswitch
14.Platformlatch
ThrottleControl
LocatedontheRHsideofthefrontcontrolconsole
(redlever)(seeFigure5).
Thethrottleisusedtocontrolenginespeed.Moving
thethrottleleverforwardwillincreaseenginespeed
andmovingthethrottlelevertotherearwilldecrease
enginespeed.Movingthethrottleforwardintothe
detentisfullthrottle.
FrontReference/SpeedControlBar
Locatedinfrontofthemotioncontrollevers(see
Figure5).
Thefrontreference/speedcontrolbarcontrolsthe
maximumforwardspeedandisinnitelyvariable
fromapproximately4–8mph(6–13km/hr).
ParkBrakeLever
Locatedonleftsideofunit,justtothefrontofthe
LHmotioncontrollever(seeFigure5).
17

Table of Contents

Related product manuals