EasyManua.ls Logo

FAAC 950 BM - In;Out Setup

FAAC 950 BM
30 pages
Print Icon
To Next Page IconTo Next Page
To Next Page IconTo Next Page
To Previous Page IconTo Previous Page
To Previous Page IconTo Previous Page
Loading...
36
ENGLISHENGLISH
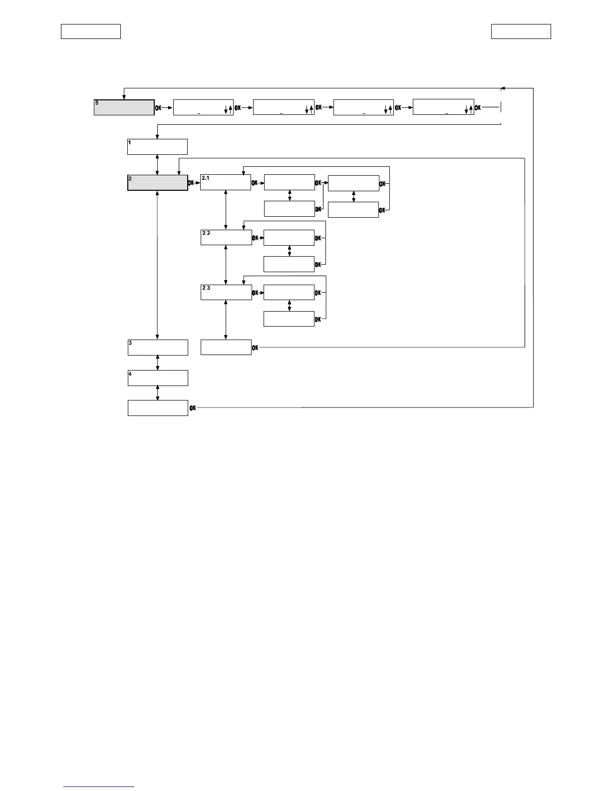
Diagram 7: In/Out Setup
PASSWORD
0000
PASSWORD
0000
PASSWORD
0000
PASSWORD
0000
IN/OUT SETUP EMERG OPEN
CLOSE
OUT OP/CL
NO
OUT ALARM
NO
NC
USCITA
*
*
NC
NO
NC
*
*
ADVANCED MENU
OPERATION
PARAMETERS
VARIOUS
EXIT
CHANGE
PASSWORD
correct code
incorrect code

Table of Contents

Other manuals for FAAC 950 BM

Related product manuals