EasyManua.ls Logo

Falcon Kitchener - 10 Circuit Diagram

Falcon Kitchener
46 pages
Print Icon
To Next Page IconTo Next Page
To Next Page IconTo Next Page
To Previous Page IconTo Previous Page
To Previous Page IconTo Previous Page
Loading...
40
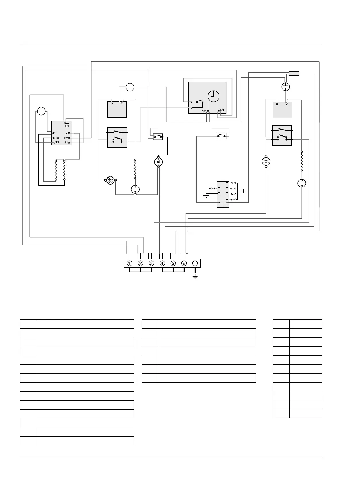
10. Circuit Diagram
a
b
e
f
c
d
1
2
P095199
1
2
P2
P1
E
1
2
1
2
P095199
1
2
P2
P1
A N
b
b
b
b
or
or
bk
v
v
bk
bk
r
r
r
br
br
r
v
v b
y
y
w
w
w
b
b b
y
br
br
br
br
b b
b
b
bb
b
y
y
y
or
or
w
w
w
b
bk
bk
br
b
b
b b b b bbr br br br
br
A1
A2
B1
C
D1
D2
D3
D4
F1
F2
G1
H
I
B2
B3
B4
G2
H
H
I
J
A3
Key
The connections shown in the circuit diagram are for single-phase. The ratings are for 230 V 50 Hz.
Code Colour
b Blue
br Brown
bk Black
or Orange
r Red
v Violet
w White
y Yellow
g/y Green/yellow
gr Grey
Code Description
A1 Grill control
A2 Grill element right-hand side
A3 Grill element left-hand side
B1 Left-hand fan oven thermostat
B2 Left-hand fan oven control
B3 Left-hand fan oven element
B4 Left-hand fan oven fan
C Clock
D1 Right-hand fan oven thermostat
D2 Right-hand fan oven control
D3 Right-hand fan oven fan element
D4 Right-hand fan oven fan
F1 Oven light switch
Code Description
F2 Oven lamp
G1 Ignition switch
G2 Ignition spark generator
H Neon
I Thermal cut-out
J Connector

Related product manuals