EasyManua.ls Logo

Faraone ELEVAH 40 MOVE PICKING - ATTACHMENT 5 - Successful Acceptance Test Certificate

Faraone ELEVAH 40 MOVE PICKING
80 pages
Print Icon
To Next Page IconTo Next Page
To Next Page IconTo Next Page
To Previous Page IconTo Previous Page
To Previous Page IconTo Previous Page
Loading...
USE AND MAINTENANCE MANUAL SECTION 9
STOCK PICKER ELEVAH 40 MOVE PICKING / B PICKING - Rev. 14_2021
Page 9-4
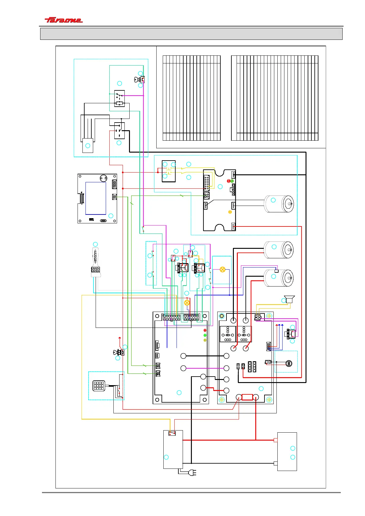
ATTACHMENT 3 – Electrical layout - ELEVAH 40 MOVE PICKING
+24V BATTERIA
- +
B+
B-
M1
M2
J11
J1
J4
J5
OPT ON
DIAG
OUT1
CANCELLINI
IN4
AVANTI/SALITA
INDIETRO/DISCESA
COMANDOTRAZ
COMANDOSALITA-DISCESA
BIDI NXS
DEVBASE
DEVPULPITO
FAST
B-
M1SK
B+ SK
M2SK
M1V
M2V
M1T
M2T
FT2
FT1
F1=30A
F2=5A
J5
J2
K1
K2
J3
F=50A
EF
CARICA
BATTERIE
KEY FAST
MOTORE
VERTICALE
KEY FAST
J4-13 NXS (COM. VERT K2)
J2-2 FAST (COM. VERT K2)
J2-1 FAST (COM. TRAZ. K1)
J4-9 NXS (COM. TRAZ. K1)
USB
CHARGER
PULS.
1
2
3
4
5
6
7
8
9
14
13
12
11
10
1
2
3
4
5
6
7
8
9
12
11
10
1
2
1
2
3
4
5 6
7
8
1 2
3
4
+5V
GND
ADC
B+
B+
sx
dx
IN1
IN2
IN5
IN9
IN7
IN6
-FRENO
+FRENO
pin8_J4
pin12_J4
pin12_J5
pin6_J5
pin5_J5
pin3_J5
KEY
LAMP
pin9_J5
pin7_J5
pin8_J5
pin5_J4
pin4_J4
pin11_J4
pin3_J4
pin2_J4
pin1_J4
pin1_J3
pin3_J3
pin1_J5
pin2_J5
B-
B+
J1
J2
J4
fc
salitadiscesa
7
fc
8
puls
discesa
puls
salita
1
MOTOREPIANO
PICKING
M1
M2
MINIBIDI
PULS.
SELETTORE
KEY
B-
J2J3
4
CAVOCANBUS(dedicato4poli)
ACCELERATORE
3
2
1
1
3
2
4
1
3
2
4
1
3
2
4
IN8
pin6_J4
pin10_J5
pin14_J4
OPT1
LAMP
pin5_J5
pin8_J4
OPT2
OPT3
OPT6
OPT7
1 2 3
4 5 6
7 8 9
C 0
ON
OFF
ROSSO
BIANCO
BIANCO
1 1+
2
MOTORE
TRAZIONE
3
4
5
6
6
6
23
7
9
7
7
7
9
10
7
11
21
13
14
14
13
15
16
19
20
ELEVAH40PICKING - PIANO MANUALE STANDART
ELEVAH40PICKING - PIANO ELETTRICO OPTIONAL
1 Batterie 12V - 50A
Descrizione Q.tà
2
Carica batterie Soneil 24V - 6A2 1
Scheda Fast SED
3 1
Scheda Bidi NXS
4 1
Fungo di emergenza a chiave PIZZATO - 4PEBZ45315 1
Contatto NC PIZZATO - E2CPO1G2V16 2
Contatto NO PIZZATO - E2CP10G2V17 4
Pulsante Triplo PIZZATO - E24PTRS1AAHN
10
1
Selettore PIZZATO - E24PU1R821011 1
Lampeggiatore Lampa - 98485
112
Micro PIZZATO - MKV11D17 213
OPT1 USB charger 3A
Descrizione Q.tà
1
1
Comando Salita/discesa da baseOPT2
1
3
1
Contatto NC PIZZATO - E2CPO1G2V1
6
1
Contatto NO PIZZATO - E2CP10G2V1
7
1
Selettore PIZZATO - 4SE12AVA11AB
8
Selettore PIZZATO - 4SE13GCE11AB
9
1
OPT1 Presa accendisigari 10A
Piano Picking elettricoOPT3 1
Contatto NO PIZZATO - E2CP10G2V17 2
1Selettore PIZZATO - 4SE13GCE11AB9
Micro PIZZATO - NFB112KA-DN2 214
Mini BIDI 115
Attuatore OSLV 24V - 150W
1
16
Blocco altezza in salita
OPT4
1
Sensore Sick - DS35 1057655 ( Imo.Q1-FAR)
1
14
Selettore SCHNEIDER ELETRIC - ZB4BG2 1
17
1
18
Antischiacciamento discesaOPT5 1
Micro PIZZATO - MKV11D17 213
Bluespot - FA10290OPT6 1
1
Tastiera a codice sblocco - TSA/STL1000-E
OPT7
Motoruota Cima1915 24V - 350W 119
Centralina colonna 24V - 800W
1
20
Schermo SED
1
21
NERO
J3
J2
J5
J1
KEYBOARD
1
2
3 4
12
INADC2
Micro-fc-ant1
OPT5
13
13
Micro-fc-ant2
COMUNEINGRESSI
PULS.
7
7
10
SALITADABASE
DISCESADABASE
PULSANTEBASE
7
8
7
CLACSON
22
22 Clacson PIZZATO 2IS6A1CV1B
1
23 Acceleratore Domino 39150300
1
220vac
LEGENDA OPTIONAL
3
3
CAVOCANBUS(dedicato3poli)
1(CAN_H)
2(CAN_L)
3(NC)
4(GND)
(J2_pin3nonconnettere)
(J2_pin3nonconnettere)
3
+
+
-
pin4_J3
pin2_J3
IN10
OPT4
30
87A
85
87
86
30
86
87A
85 87
3 - M - BLU ( NEGATIVO )
4 - Q1/C - NERO
2 - Q2 - BIANCO
5 - GRIGIO
1 - MARRONE ( POSITIVO )
14
fc-altezza
Micro
25
Relèdiattivazione
Regolatoreditensione
24
Regolatore di tensione FF2800V03
24
1
Relè Hella 51.010064
25
1
Contatto NO - SCHNEIDER ELETRIC - ZBE101
contatto
NC*
*NonmontaresepresenteOPT4
selettoreon/offaltezza
17
18

Table of Contents

Related product manuals