EasyManua.ls Logo

Faraone ELEVAH 40 MOVE PICKING - ATTACHMENT 6 - Declaration of Conformity

Faraone ELEVAH 40 MOVE PICKING
80 pages
Print Icon
To Next Page IconTo Next Page
To Next Page IconTo Next Page
To Previous Page IconTo Previous Page
To Previous Page IconTo Previous Page
Loading...
USE AND MAINTENANCE MANUAL SECTION 9
STOCK PICKER ELEVAH 40 MOVE PICKING / B PICKING - Rev. 14_2021
Page 9-5
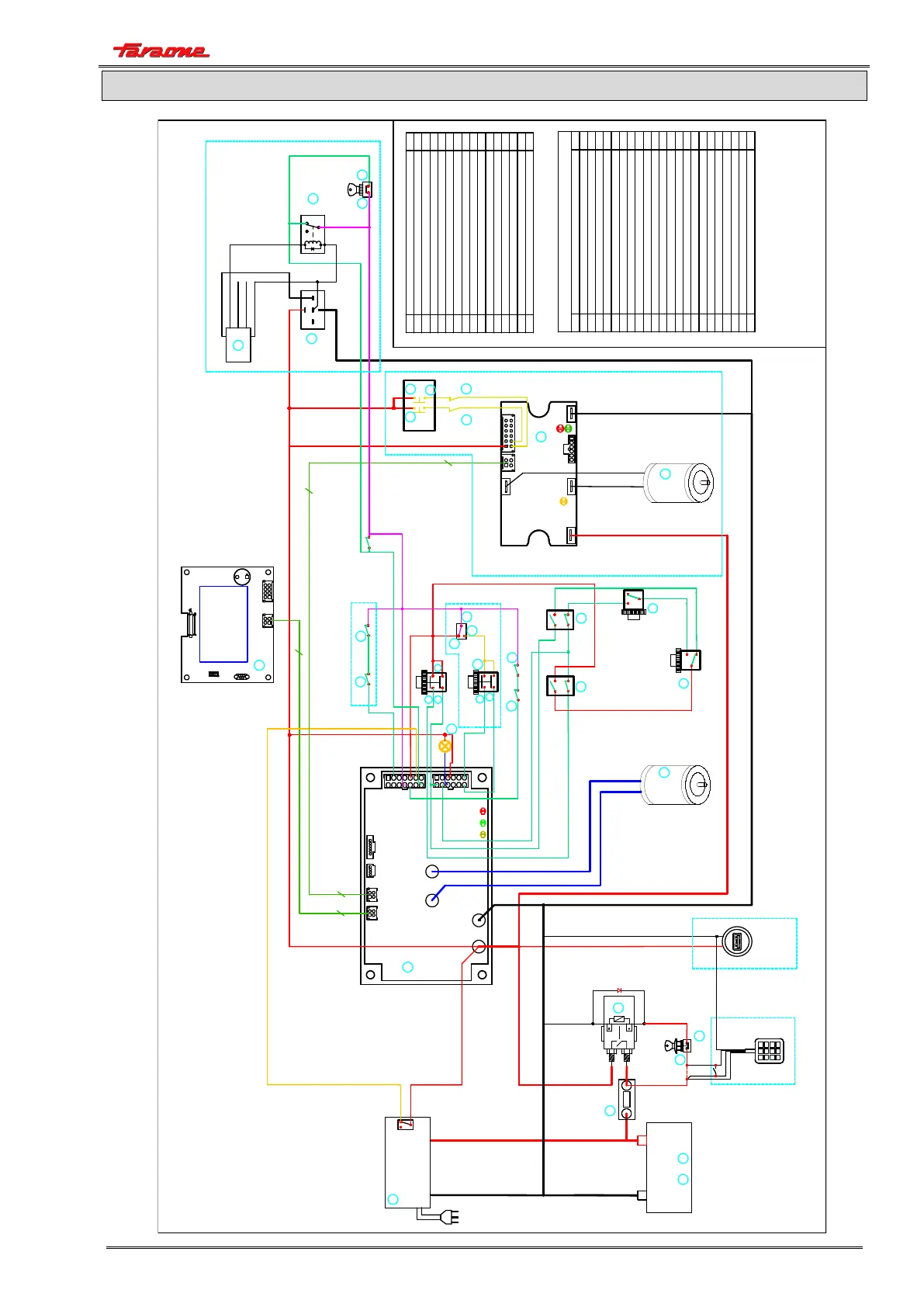
ATTACHMENT 4 – Electrical layout - ELEVAH 40 B PICKING
1 Batterie 12V - 50A
Descrizione Q.tà
2
Carica batterie Soneil 24V - 6A2 1
3
Scheda Bidi NXS4 1
Fungo di emergenza a chiave PIZZATO - 4PEBZ45315 1
Contatto NC PIZZATO - E2CPO1G2V1
6 1
Contatto NO PIZZATO - E2CP10G2V17 2
8
1
21
1Lampeggiatore Lampa - 98485
210 Micro PIZZATO - MKV11D17
1
11
OPT1 USB charger 3A
Descrizione
Q.tà
1
1
Comando Salita/discesa da baseOPT2 1
3
1
Contatto NC PIZZATO - E2CPO1G2V1
6
1
Contatto NO PIZZATO - E2CP10G2V17
1
8
9
1
OPT1
Presa accendisigari 10A
Piano Picking elettricoOPT3 1
Contatto NO PIZZATO - E2CP10G2V1
7 2
1Selettore PIZZATO - 4SE13GCE11AB8
Micro PIZZATO - NFB112KA-DN2 214
Mini BIDI 1
15
Attuatore OSLV 24V - 150W 116
Blocco altezza in salita
OPT4
1
Sensore Sick - DS35 1057655 ( Imo.Q1-FAR) 114
Selettore SCHNEIDER ELETRIC - ZB4BG2
1
17
1
18
Antischiacciamento discesaOPT5 1
Micro PIZZATO - MKV11D17
2
10
OPT7 1
1
Centralina colonna 24V - 800W
1
Schermo SED
B-
B+
J1
J2
J4
fc
salitadiscesa
7
fc
8
puls
discesa
puls
salita
1
MOTOREPIANO
PICKING
M1
M2
MINIBIDI
PULS.
SELETTORE
3
1
3
2
4
OPT3
7
7
14
14
15
Selettore PIZZATO - 4SE13GCE11AB
16
Fusibile di potenza 50A
1
12
13
8
Selettore PIZZATO - 4SE13GCE11AB
Selettore PIZZATO - 4SE12AVA11AB
Tastiera a codice sblocco - TSA/STL1000-E
2Pulsante PIZZATO - MKV11D49
19
2Micro PIZZATO - FM50220
ELEVAH40BPICKING - PIANO MANUALE STANDART
ELEVAH40BPICKING - PIANO ELETTRICO OPTIONAL
+24V BATTERIA
- +
B-
M1
M2
J11
J1
J4
J5
OPT ON
DIAG
BIDI NXS
CARICA
BATTERIE
MOTORE
VERTICALE
USB
CHARGER
1
2
3
4
5
6
7
8
9
14
13
12
11
10
1
2
3
4
5
6
7
8
9
12
11
10
IN1
IN2
IN7
pin12_J4
pin12_J5
pin6_J5
LAMP
pin9_J5
pin7_J5
pin8_J5
pin5_J4
J2J3
4
1
3
2
4
1
3
2
4
IN8
pin6_J4
FUSE
-BATT
+BATT
B+
B-
OPT1
pin2_J4
1 1+
2
4
13
3
11
OPT7
1 2 3
4 5 6
7 8 9
C 0
ON
OFF
5
6
ROSSO
BIANCO
BIANCO
NERO
COMUNEINGRESSI
SALITADABASE
CANCELLINI
SALITA
DISCESA
COMANDOSALITA-DISCESA
DEVBASE
Micro-sx
Micro-dx
DISCESADABASE
pin3_J5
pin11_J4
4
CAVOCANBUS(dedicato4poli)
PULSANTEBASKET
PULSANTEBASE
OPT2
pin14_J4
IN10
INADC2
Micro-fc-ant1
OPT4
OPT5
10
10
7
7 8
10
10
7
8
21
7
6
9
20
20
Micro-fc-ant2
Micro-fc-discesa1 Micro-fc-discesa2
7
B+
3
CAVOCANBUS(dedicato3poli)
B+
B-
J3
J2
J5
J1
KEYBOARD
1
2
3
4
12
220vac
Teleruttore Albright SU60-2010 (+ Diodo)
LEGENDA OPTIONAL
IN9
IN4
1(CAN_H)
2(CAN_L)
3(NC)
4(GND)
(J2_pin3nonconnettere)
(J2_pin3nonconnettere)
3
19
PULSANTE
FRENOAUTOMATICO
PULSANTEUOMO
PRESENTEFRENO
AUTOMATICO
19
30
87A
85
87
86
30
86
87A
85
87
3 - M - BLU ( NEGATIVO )
4 - Q1/C - NERO
2 - Q2 - BIANCO
5 - GRIGIO
1 - MARRONE ( POSITIVO )
14
fc-altezza
Micro
23
Relè Hella 51.010064
23
1
Regolatore di tensione FF2800V0322 1
Relèdiattivazione
Regolatoreditensione
22
selettoreon/offaltezza
17
18
contatto
NC*
*NonmontaresepresenteOPT4
Contatto NO - SCHNEIDER ELETRIC - ZBE101

Table of Contents

Related product manuals