EasyManua.ls Logo

FARFISA INTERCOMS ECHOS - Page 155

FARFISA INTERCOMS ECHOS
236 pages
Print Icon
To Next Page IconTo Next Page
To Next Page IconTo Next Page
To Previous Page IconTo Previous Page
To Previous Page IconTo Previous Page
Loading...
153
(MT11 - Gb2012)
4+1
INTERCOMS *
7+1
VIDEOINTERCOMS
Si 21MO/1
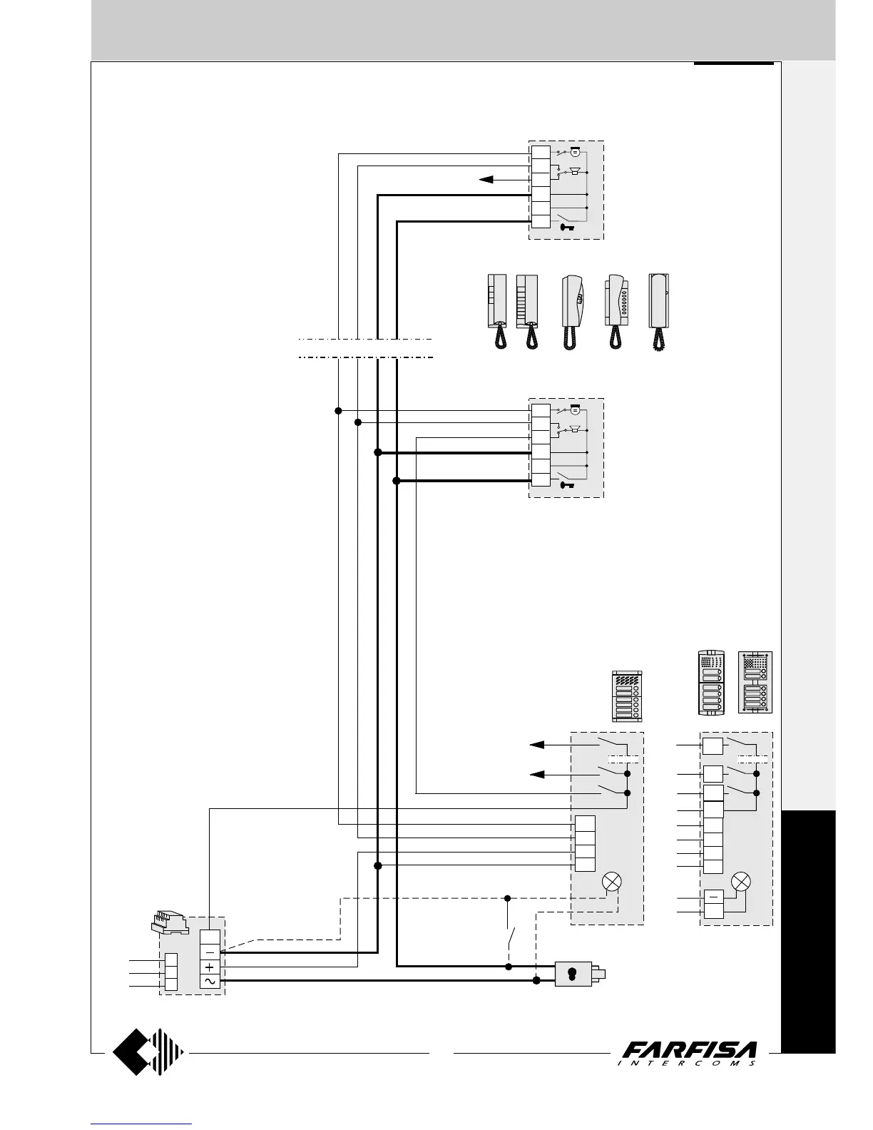
INTERCOMS CONNECTED TO 1 EXTERNAL DOOR STATION
E
X
-
K
M
-
S
T
-
P
T
xn
1
2
9
3
0
5
1
2
9
3
0
5
PA
SE
230V
127V
0
PRS240
C+
1
2
3
4
xn
P
P
P
C
A
x2
1
2
3
4
Mody
Matrix
Profilo
Compact
Studio
Exhito
Project

Table of Contents

Related product manuals