EasyManua.ls Logo

FARFISA INTERCOMS ECHOS - Page 177

FARFISA INTERCOMS ECHOS
236 pages
Print Icon
To Next Page IconTo Next Page
To Next Page IconTo Next Page
To Previous Page IconTo Previous Page
To Previous Page IconTo Previous Page
Loading...
175
(MT11 - Gb2012)
4+1
INTERCOMS *
7+1
VIDEOINTERCOMS
Si 261L/1S
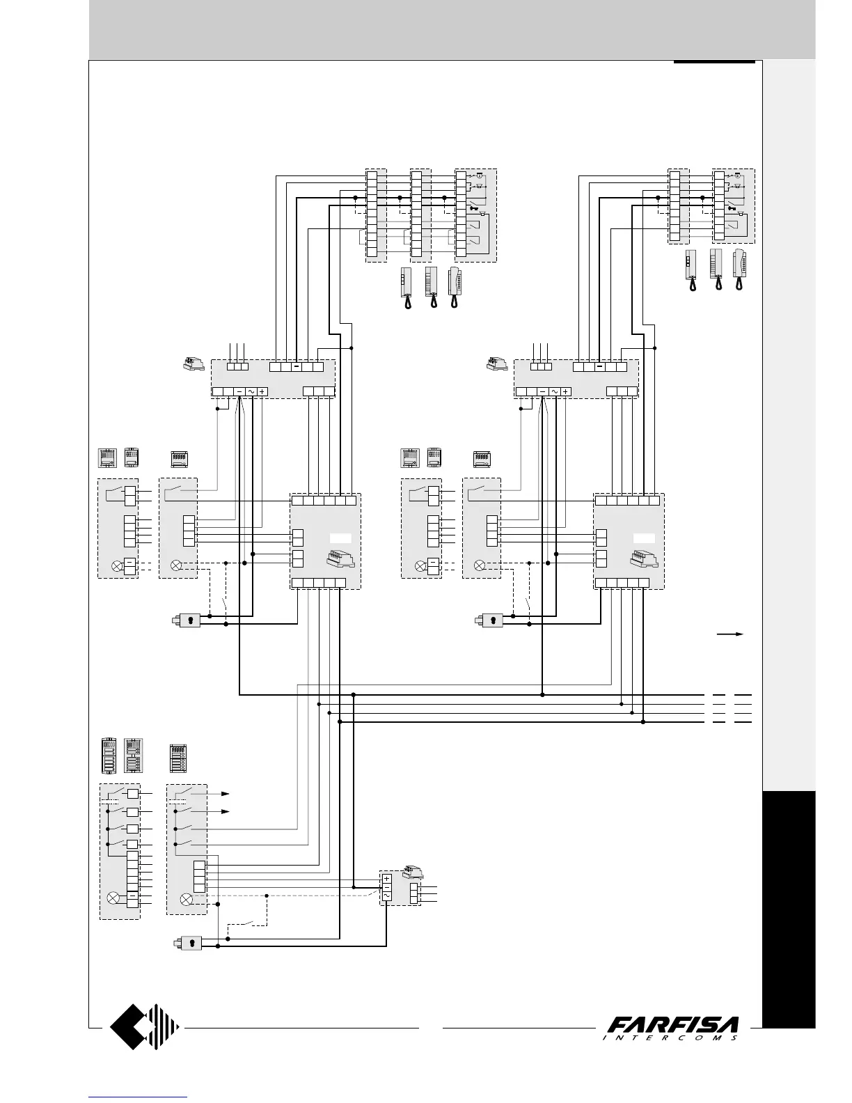
ONE-WAY INTERCOMMUNICATING SYSTEM WITH SECONDARY DOOR STATIONS AND 1 MAIN COMMON
STATION (multiple entrance)
SE
PA
x(N)
x(C)
PA PA
SE SE
7b 7b
6 69a 9a8a 8a7a 7a
8b
9b
8b
9b
1473 1473
230V
127V
0
PRS220
1
2
3
4
1
2
1
2
“B”“A”
“C-D-..”
4
3
2
1
4
3
2
1
CT1 CT1CT2 CT2
CT3
1 1
2
1
2
9
3
5
3A
P1
C
P2
C
9A
1
2
9
3
5
3A
P1
C
9A
230V
230V
127V
127V
0
0
Y Y4 4
PRS226E PRS226E
G G
2 27 74b 4b
C+ C+
D D9 9
3 3
8 89 95 57 74 4
4
3
2
1
4
3
2
1
C C
A
A
P P
1
2
3
4
P
P
P
C
A
P
1
2
9
3
5
3A
9A
C
P1
C
P2
1
2
9
3
5
3A
9A
C
P1
1
2
9
3
5
3A
P1
C
9A
C
P2
AP AP
Mody Mody
Matrix Matrix
Profilo Profilo
Matrix
Profilo
Mody
EX320
+EX301
+EX304
EX320
+EX301
+EX304
ST720
+ST701
+ST704
ST720
+ST701
+ST704
EX310
+EX301
+EX304
EX310
+EX301
+EX304
E
X
H
I
T
O
S
T
U
D
I
O

Table of Contents

Related product manuals