EasyManua.ls Logo

FARFISA INTERCOMS ECHOS - Page 182

FARFISA INTERCOMS ECHOS
236 pages
Print Icon
To Next Page IconTo Next Page
To Next Page IconTo Next Page
To Previous Page IconTo Previous Page
To Previous Page IconTo Previous Page
Loading...
180
(MT11 - Gb2012)
4+1
INTERCOMS *
7+1
VIDEOINTERCOMS
E
X
H
I
T
O
S
T
U
D
I
O
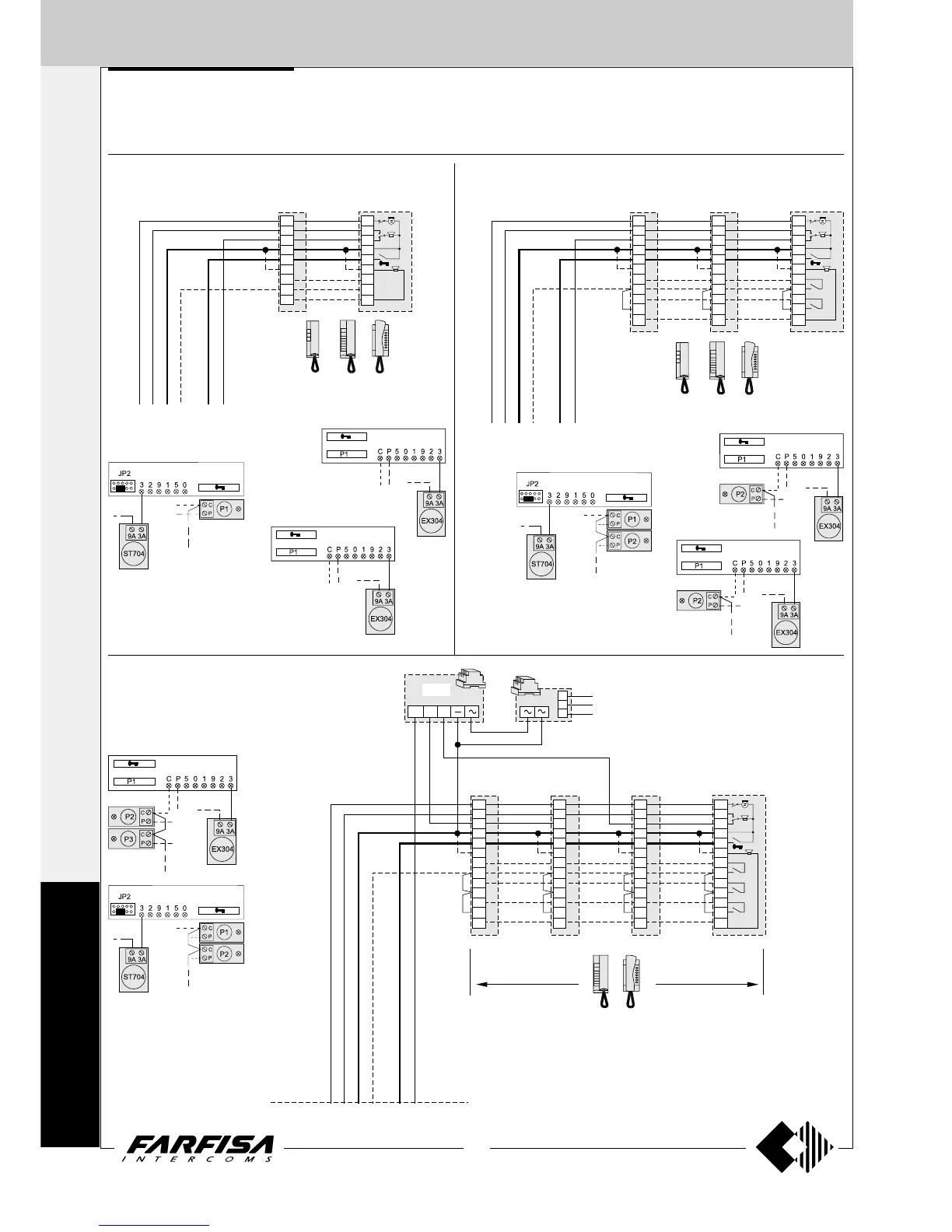
Application diagrams
CT1 CT2
CT3 CT4
1
2
3
AP
1
2
9
3
5
3A
P1
C
9A
C
P2
C
P3
1
2
9
3
5
3A
9A
C
P1
C
P2
C
P3
RL37
230V
127V
0
PRS210
P1
C
P2
C
P3
C
9A
1
2
9
3
5
3A
9M
9R9P
1
2
9
3
5
3A
P1
C
P2
C
9A
C
P3
EX320
+EX301
+EX304
ST720
+ST701
+ST704
CT1 CT2
CT3
1
2
AP
1
2
9
3
5
3A
P1
C
9A
C
P2
1
2
9
3
5
3A
9A
C
P1
C
P2
P1
C
P2
C
9A
1
2
9
3
5
3A
EX320
+EX301
+EX304
ST720
+ST701
+ST704
EX310
+EX301
+EX304
CT1
CT2
AP
1
2
9
3
5
3A
9A
C
P1
P1
C
9A
1
2
9
3
5
3A
EX320
+EX304
ST720
+ST701
+ST704
EX310
+EX304
3 INTERCOMMUNICATING INTERCOMS
4 INTERCOMMUNICATING INTERCOMS
2 INTERCOMMUNICATING INTERCOMS
APPLICATION DIAGRAMS FOR INTERCOMMUNICATING SYSTEMS WITH COMMON ELECTRONIC CALL FROM EXTERNAL
STATION AND ELECTRONIC CALL FOR EXTENSIONS
- To match with diagrams: Si 211L/5S; Si 221L/5S; Si261L/1S
to power supply
to power supply
to power supply
- Do not forget to connect terminals C of
the additional buttons and install the
EX304 or ST704 speaker module in
every intercom.
- Do not forget to connect
terminals C of the additional
buttons and install the
EX304 or ST704 speaker
module in every intercom.
EX320
ST720
ST720
ST720
- Do not forget to install the
EX304 or ST704 speaker
module in every intercom.
EX320
EX310
EX320
EX310

Table of Contents

Related product manuals