EasyManua.ls Logo

FARFISA INTERCOMS ECHOS - Page 203

FARFISA INTERCOMS ECHOS
236 pages
Print Icon
To Next Page IconTo Next Page
To Next Page IconTo Next Page
To Previous Page IconTo Previous Page
To Previous Page IconTo Previous Page
Loading...
201
(MT11 - Gb2012)
Si 42MO/3
4+1
INTERCOMS *
7+1
VIDEOINTERCOMS
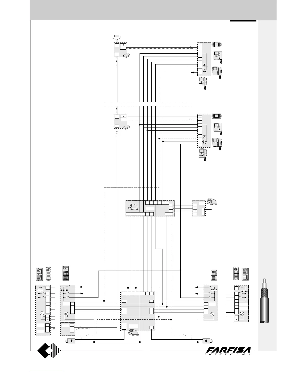
VIDEO INTERCOM SYSTEM CONNECTED TO TWO EXTERNAL DOOR STATIONS, ONE OF WHICH ONLY AUDIO
PA
SE
230V
127V
0
1282E
2D1D 3D
5
7
xn
x2
1281
MD41
4
I
A
H
V
M
4
3
2
1
P
P
P
C
A
IV
H
A
3+
H
V
M
4
3
2
1
F
X
1
2
H
SC+
PA
SE
4
3
2
1
xn
x2
MD30
Mody
4
3
2
1
MAS1.P
P
P
P
C
A
10a
7a
8b
9b
36
1473
7b
8a
9a
8910217
5
4
MD30
MAS4.
Mody
Matrix
Profilo
PL4.P
PL1.P
Matrix
Profilo
OUT
OUT
IN
IN
IN
75W
DV2
DV4
DV2
DV4
xn
IN
8
V
M
F
H
1
2
3
4
5
9M
8
V
M
F
H
1
2
3
4
5
9M
ECHOS
ECHOS
EXHITO
EXHITO
COMPACT
COMPACT
STUDIO
STUDIO
““a “b“

Table of Contents

Related product manuals