EasyManua.ls Logo

FARFISA INTERCOMS ECHOS - Page 205

FARFISA INTERCOMS ECHOS
236 pages
Print Icon
To Next Page IconTo Next Page
To Next Page IconTo Next Page
To Previous Page IconTo Previous Page
To Previous Page IconTo Previous Page
Loading...
203
(MT11 - Gb2012)
Si 43MO/1
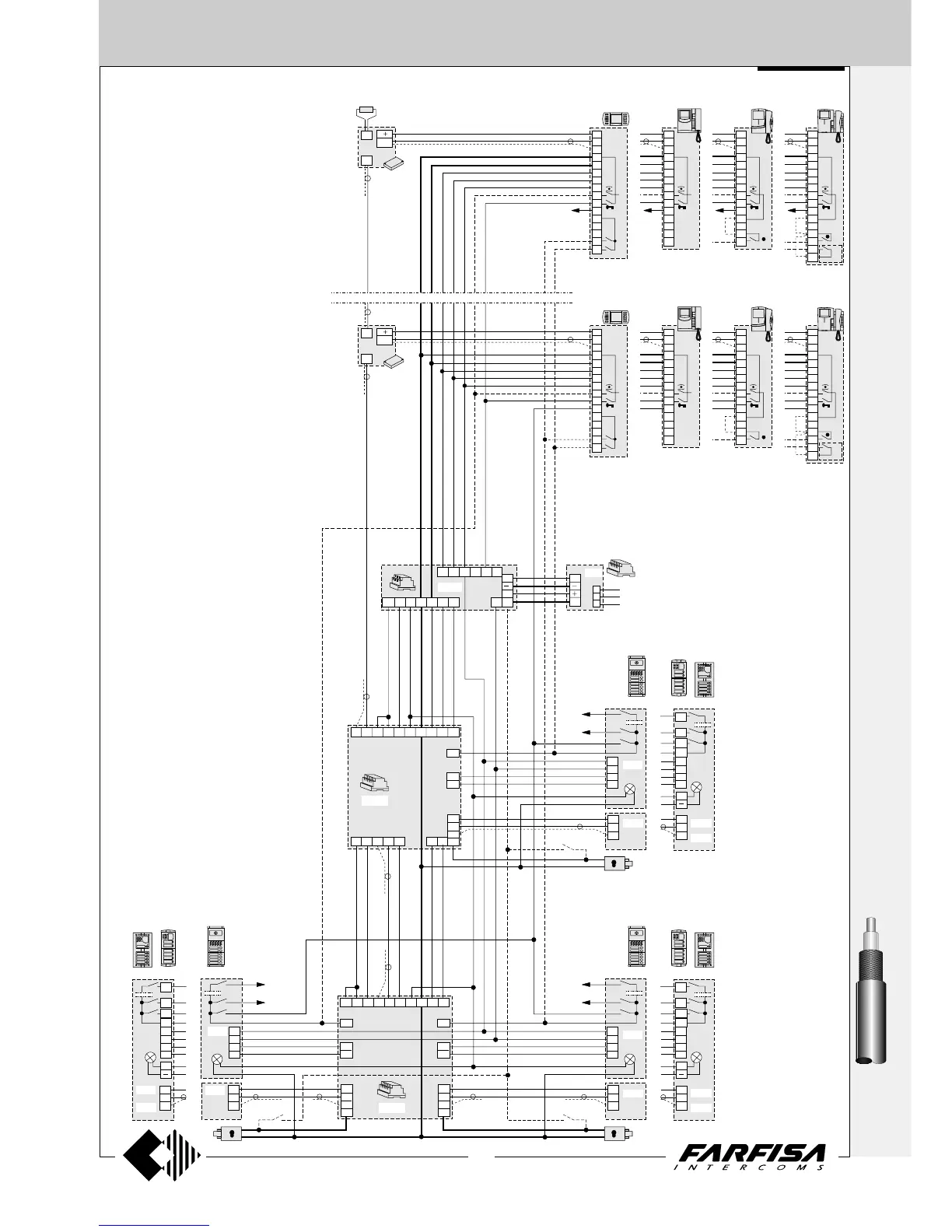
VIDEO INTERCOM SYSTEM CONNECTED TO THREE EXTERNAL DOOR STATIONS
4+1
INTERCOMS *
7+1
VIDEOINTERCOMS
OUT
OUT
PA
PA
PA
SE
SESE
IN
IN
IN
75W
DV2
DV4
DV2
DV4
230V
127V
0
1282E
4
3
2
1
4
3
2
1
2D1D 3D
5
7
xn
xnxn
x2
x2x2
xn
1281
4
IN
I
A
H
V
M
H
V
M
H
V
M
4
3
2
1
4
3
2
1
4
3
2
1
P
PP
P
PP
P
PP
C
CC
A
AA
IV
H
A
3+
10a
9a
8a
7a
12b
11b
12b
11b
3
36
1273TV
1273TV
12a
11a
10a
9a
8a
7a6
H
V
M
H
V
M
H
V
M
10b
9b
8b
7b
10b
9b
8b
7b
4
3
2
1
12a
11a
F
X
1
2
H
SC+
121110217
5
498
2
2
1
1
8
V
M
F
H
1
2
3
4
5
9M
P
1C
9R
1
P2
8
V
M
F
H
1
2
3
4
5
9M
P
1C
9R
1
P2
8
V
M
F
H
1
2
3
4
5
9M
P
P
1C
9R
1
2
8
V
M
F
H
1
2
3
4
5
9M
P
P
1C
9R
1
2
8
V
M
F
H
1
2
3
4
5
9M
PC
P
1C
9R
8
V
M
F
H
1
2
3
4
5
9M
PC
P
1C
9R
8
V
M
F
H
1
2
3
4
5
9M
PC
P
1C
9R
P1
C
8
V
M
F
H
1
2
3
4
5
9M
PC
P
1C
9R
P1
C
Mody
Mody
Mody
Matrix
Matrix
Matrix
Profilo
Profilo
Profilo
MD30
MD41
MA4.
PL4.P
MD30
MD30
MD41
MD41
MA4.
MA4.
PL4.P
PL4.P
121121109
8
754
ECHOS
ECHOS
EXHITO
EXHITO
COMPACT
COMPACT
STUDIO
STUDIO
1
1
ST701
ST701

Table of Contents

Related product manuals