EasyManua.ls Logo

FARFISA INTERCOMS ECHOS - Page 211

FARFISA INTERCOMS ECHOS
236 pages
Print Icon
To Next Page IconTo Next Page
To Next Page IconTo Next Page
To Previous Page IconTo Previous Page
To Previous Page IconTo Previous Page
Loading...
209
(MT11 - Gb2012)
Si 46MO/3
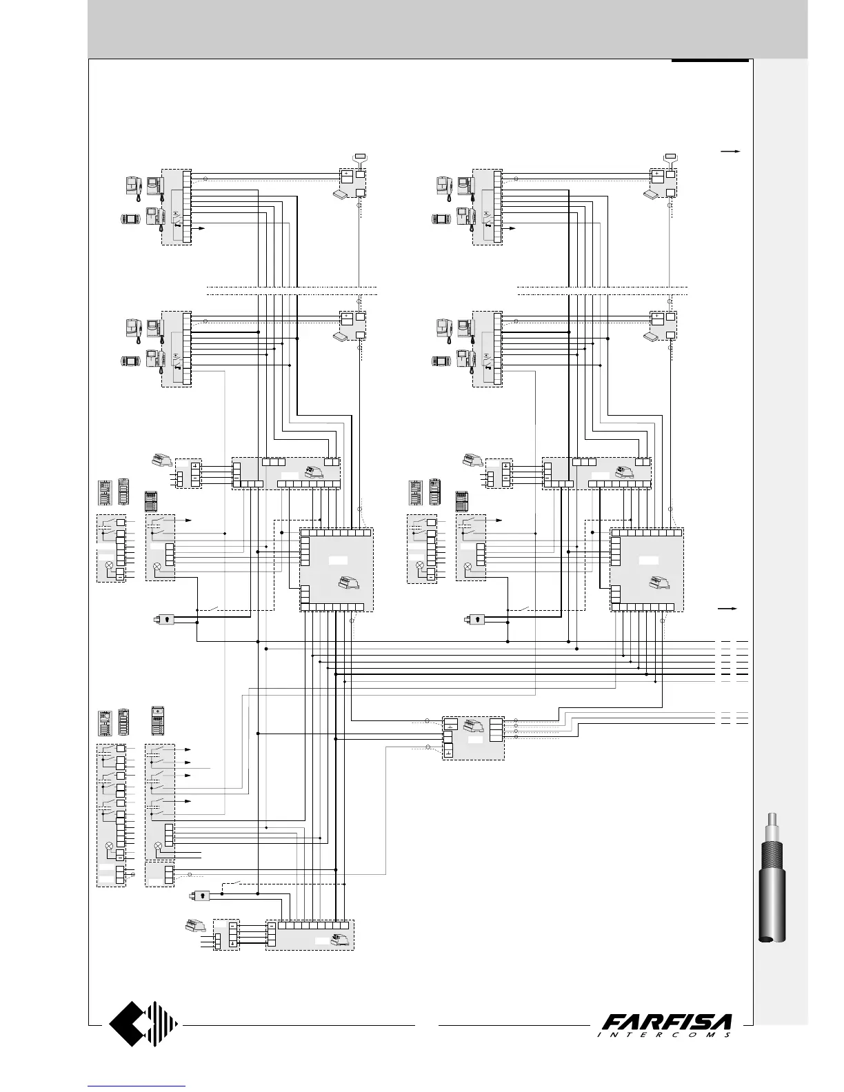
VIDEO INTERCOM SYSTEM WITH SECONDARY DOOR STATIONS ONLY AUDIO AND 1 MAIN COMMON VIDEO
STATION (multiple entrance)
4+1
INTERCOMS *
7+1
VIDEOINTERCOMS
476
OUT2
OUT3
OUT4
OUT5
OUT OUT
OUT OUT
“A” “B”
PA PA
IN IN
IN IN
IN IN
IN IN
75 75
DV2
DV4
DV2
DV4
DV2
DV4
DV2
DV4
10a
9a
8a
10a
9a
8a
“C-D-..”
230V
127V
0
F F
S S3+ 3+
1282E 1282E
1282E
I
A
SE
1 1
5 57a 7a12 1211 117 710 10
9 98 8
6
2
12a
11a
6
2
12a
11a
F
14
OUT1
PA
4 47 7
3D 3D
I I
xn(C)
x1(C)
xn(B)
xn(A)
xn(A) Xn(B)
1281 1281
1273TV 1273TV
1281
“C-D-..”
4(C)
MD41
H
IV
H
IV
A A
IV
A
H
A A
1D 1D
2D 2D
SE SE
Xn(A) Xn(B)
H
V
M
H
V
M
4
3
2
1
4
3
2
1
4
3
2
1
P P
P
P
P
P P
P
P
P
C C
C
C
C
A A
A
4
3
2
1
4
3
2
1
IN
S F 3+ 3D C+ 2 X H 5
4
3
2
1
4 4
3 312b 12b11b 11b10b 10b7b 7b9b 9b8b 8b
MD30
MAS4.
Mody
Matrix
Profilo
PL4.P
230V 230V
127V 127V
00
MD30 MD30
PL1.P PL1.P
Mody Mody
Matrix Matrix
Profilo Profilo
MAS1.P MAS1.P
125
C+
X
H
125
C+
X
H
8
V
M
F
H
1
2
3
4
5
9M
9R
1C
8
V
M
F
H
1
2
3
4
5
9M
9R
1C
8
V
M
F
H
1
2
3
4
5
9M
9R
1C
8
V
M
F
H
1
2
3
4
5
9M
9R
1C
ECHOS ECHOS
ECHOS ECHOS
EXHITO EXHITO
EXHITO EXHITO
COMPACT COMPACT
COMPACT COMPACT
STUDIO STUDIO
STUDIO STUDIO

Table of Contents

Related product manuals