EasyManua.ls Logo

FARFISA INTERCOMS ECHOS - Page 77

FARFISA INTERCOMS ECHOS
236 pages
Print Icon
To Next Page IconTo Next Page
To Next Page IconTo Next Page
To Previous Page IconTo Previous Page
To Previous Page IconTo Previous Page
Loading...
75
(MT11 - Gb2012)
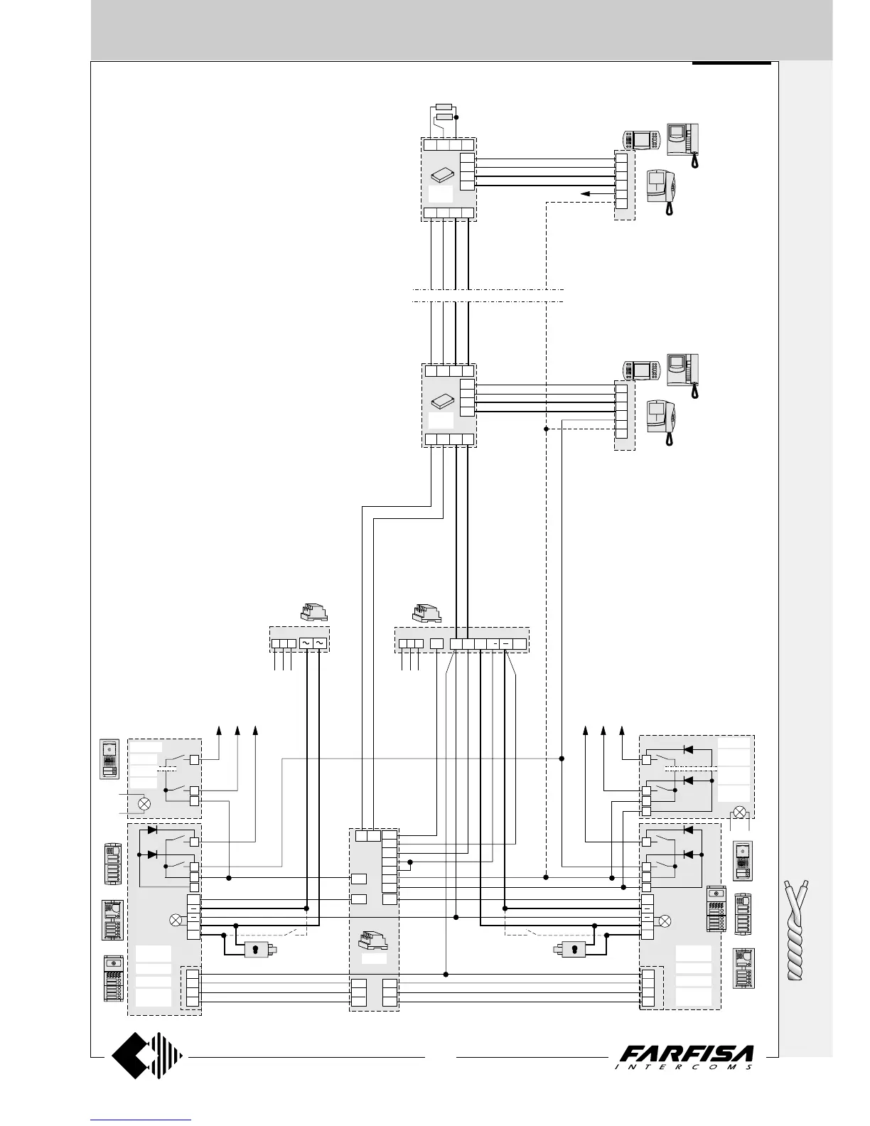
MULTI-WAY VIDEOINTERCOM SYSTEM CONNECTED TO TWO EXTERNAL DOOR STATIONS
Si 42MR/2
1+1
INTERCOMS *
4+1
VIDEOINTERCOMS
DV2D
DV4D
DV2D
DV4D
X
X
F
F
H
H
Y
Y
2x
75
XFHY
X1
Y1
H
F
X1
Y1
H
F
PA
PA
SE
230V
230V
127V
127V
0
0
1181E
PRS210
X2X3Xn
F
H
A
C
XFHY
4
Xn
1473
87
9a
8a
7a
F
H
X
Y
9b
8b
7b
4
10b
X
1
2
9
3
5
6
10
10a
SE
X2 X3 Xn
F
H
X
Y
P
P
P
C
C
E
P
E
Mody
Matrix
Agorà
Profilo
AG100T
MA2..
241DMA
PL2..
241DMA
MD2..
241D
AG 00V
AG40C
1
ED
AG 00V
AG40C
1
ED
MA43.ED
MA43.ED
PL4 P.ED
PL4 P.ED
MD1.ED
MD41D
MD1.ED
MD41D
1
A
S
P
P
C
E
P
C
1
A
S
P
AG100T
MA2..
PL2..
MD2..
Mody
Matrix
Agorà
Profilo
X
Y
H
F
10
4
X
Y
H
F
10
4
Exhito
Exhito
Compact
Compact
Echos
Echos
entrance "b"
entrance "a"

Table of Contents

Related product manuals